
Notified by email when this product becomes available
- Description
- Payment methods
- Warranty
|
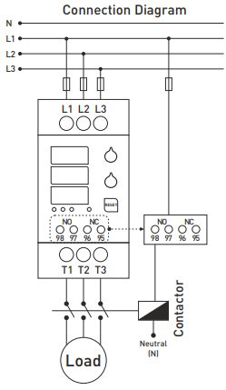
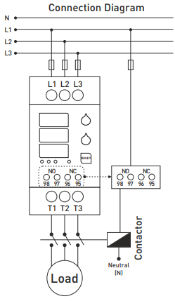
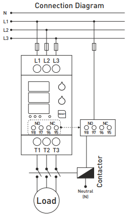
Monitoring overcurrent relay TRM-30F with display, 3-phase up to 25A It is designed to protect equipment sensitive to operating current and voltage values from errors that may occur due to:
The TRM-30F digital overcurrent overload relay with display allows you to view the current in each phase and protect the motor or appliance against overcurrent, overvoltage, undercurrent, phase failure and phase reversal. These digital overload relays are designed to prevent damage to the motor/load from high currents while allowing the current flowing in each phase to be monitored on the display. They are also capable of checking the cumulative voltage values between phases. Thanks to the two output relays (1x NO, 1x NC) it is also possible to control or disconnect the load when an overcurrent setpoint is reached, or to switch on a signalling contact to the control system. The TRM-xx digital relays have built-in current transformers and a 3x3-digit display for current display. Application and operating principle
Drivers
Contact status
Indication LED
Function of the "V/A/RESET" button
Protection and operating principle 1. Overcurrent protection (0.5-30 A):
2. Protection against current asymmetry:
3. Overvoltage protection (U>440 V):
4. Undervoltage protection (U<265 V):
5. Protection against voltage asymmetry:
6. Phase sequence protection:
Current asymmetry calculation The instrument calculates the asymmetry according to the formula:
Example: ((25 - 15) / 25) × 100 = 40% current asymmetry. Technical specification
|
Online card / PayPal payment - after completing the order, you will be redirected to the payment gateway, payment confirmation will be sent to your email.
Bank deposit- you will transfers money from you bank account into our bank account to complete your purchase. You will receive an invoice to your email no later than the next working day.
We warrant that on delivery, and for a period of 12 months from the date of delivery any products which are goods shall:
- conform in all material respects with their description and any relevant specification;
- be free from material defects in design, material and workmanship;
- be of satisfactory quality
- In the event of any goods being materially defective, we will replace or repair the product or refund the purchase price.
These warranties shall not apply to any defect which arises from improper use, failure to follow the product instructions, or any repair or modification made without our consent.
