
Notified by email when this product becomes available
- Description
- Download
- Payment methods
- Warranty
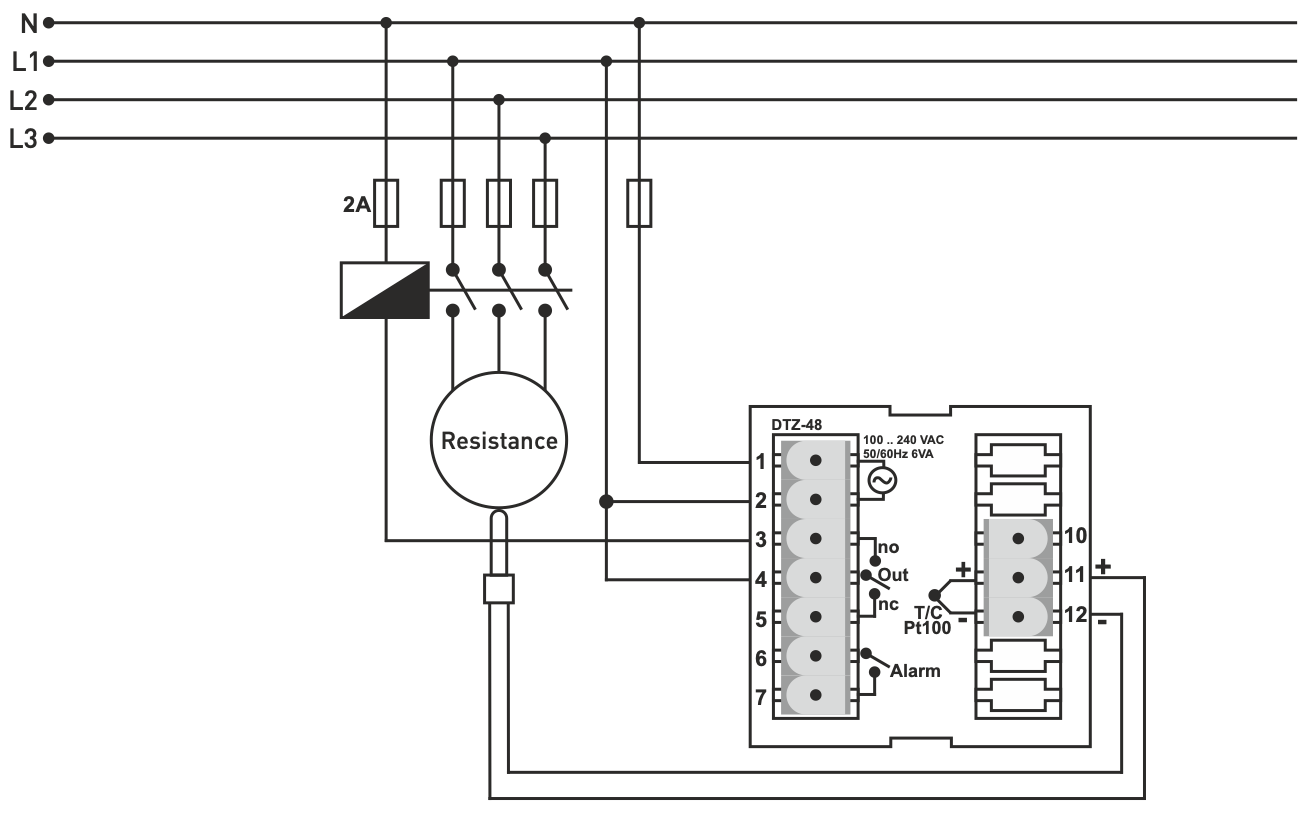
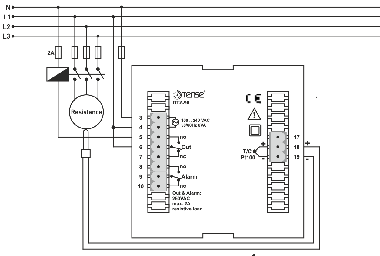
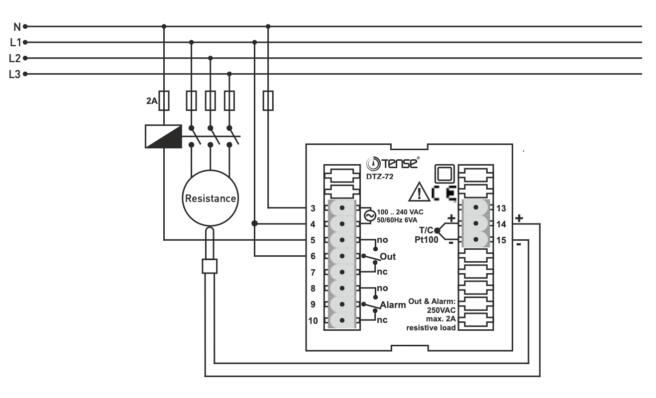
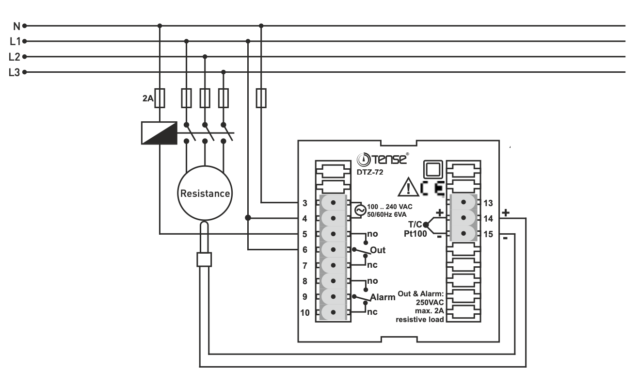
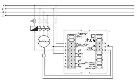
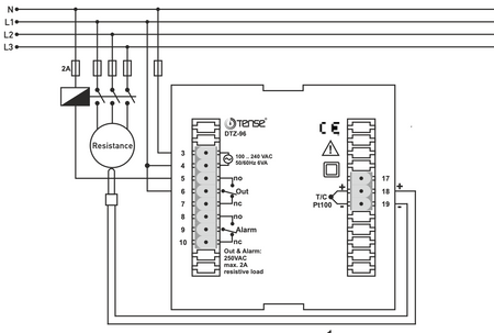
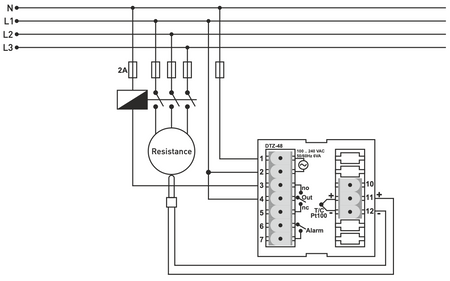
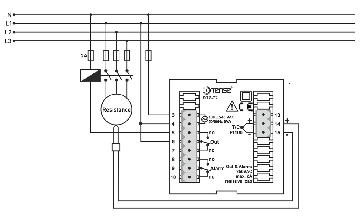
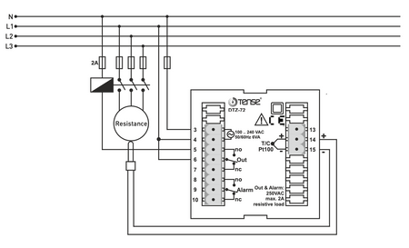
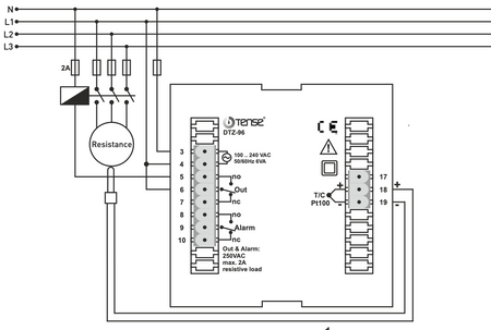
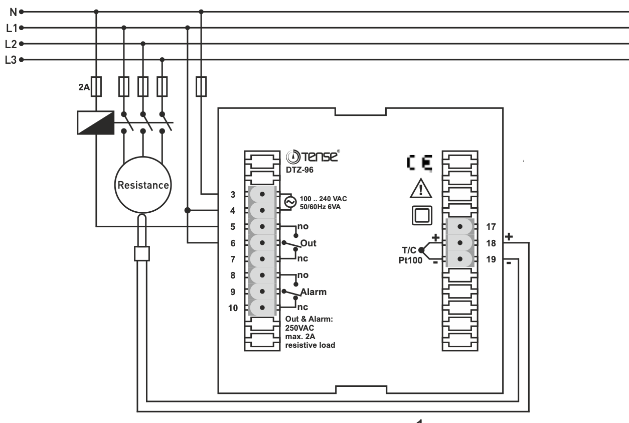
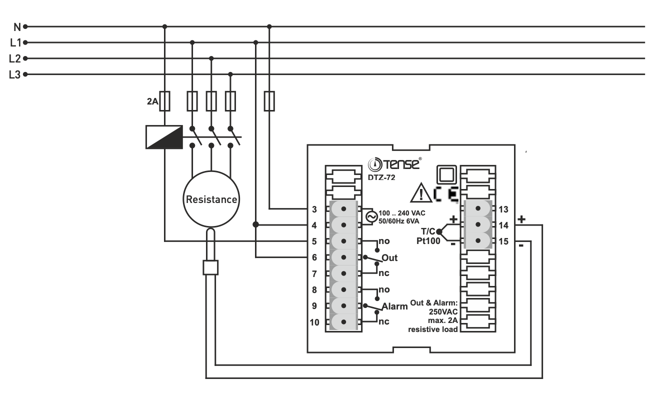
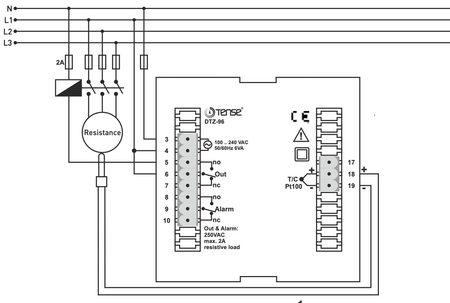
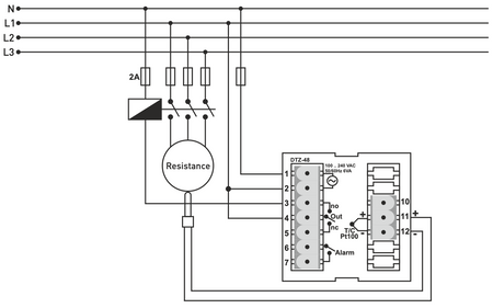
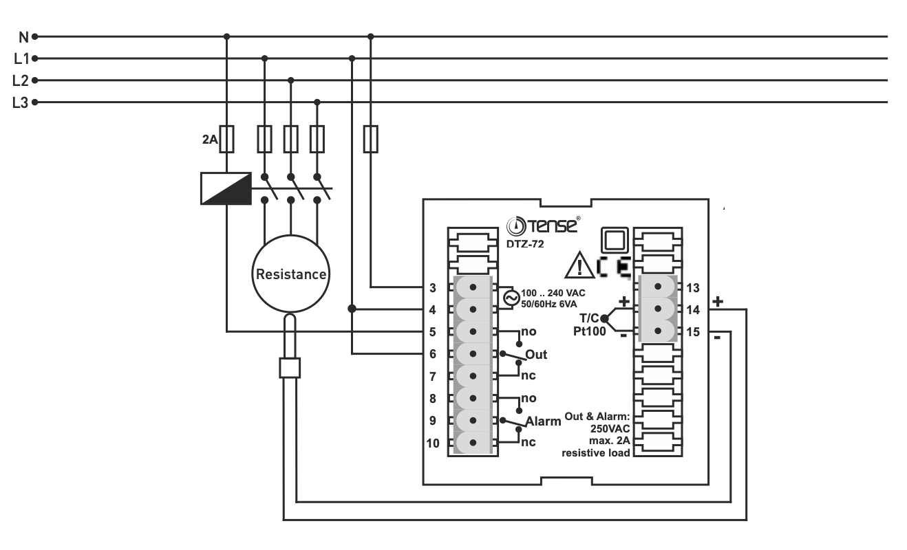
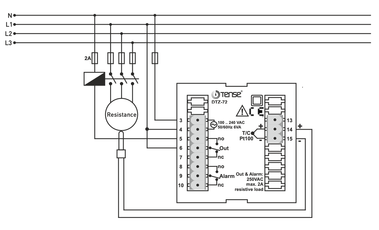
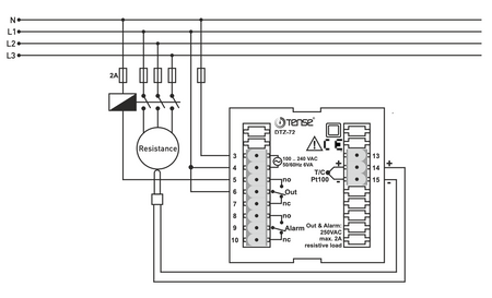
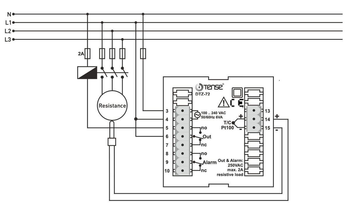
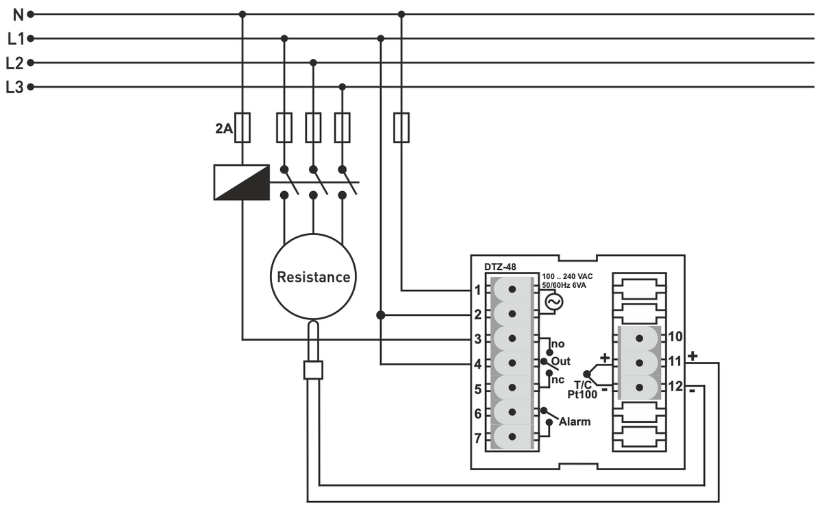
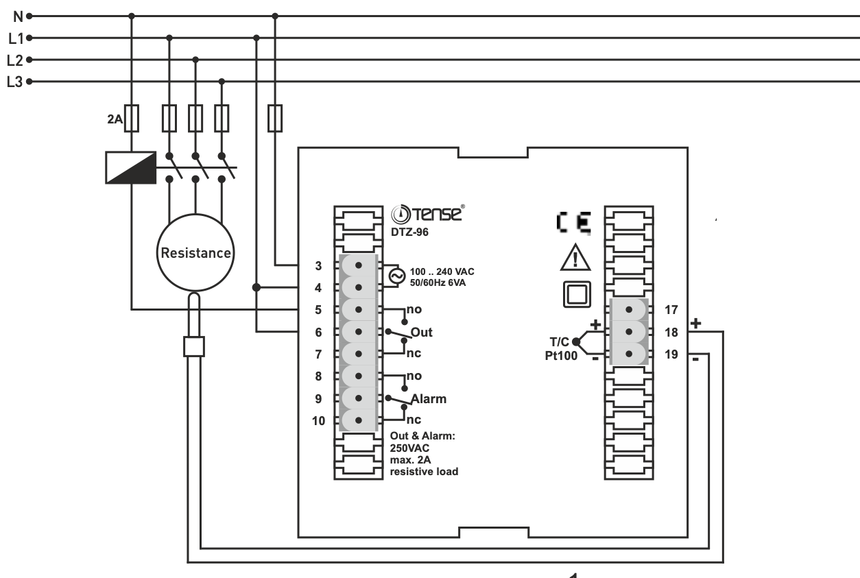
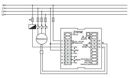
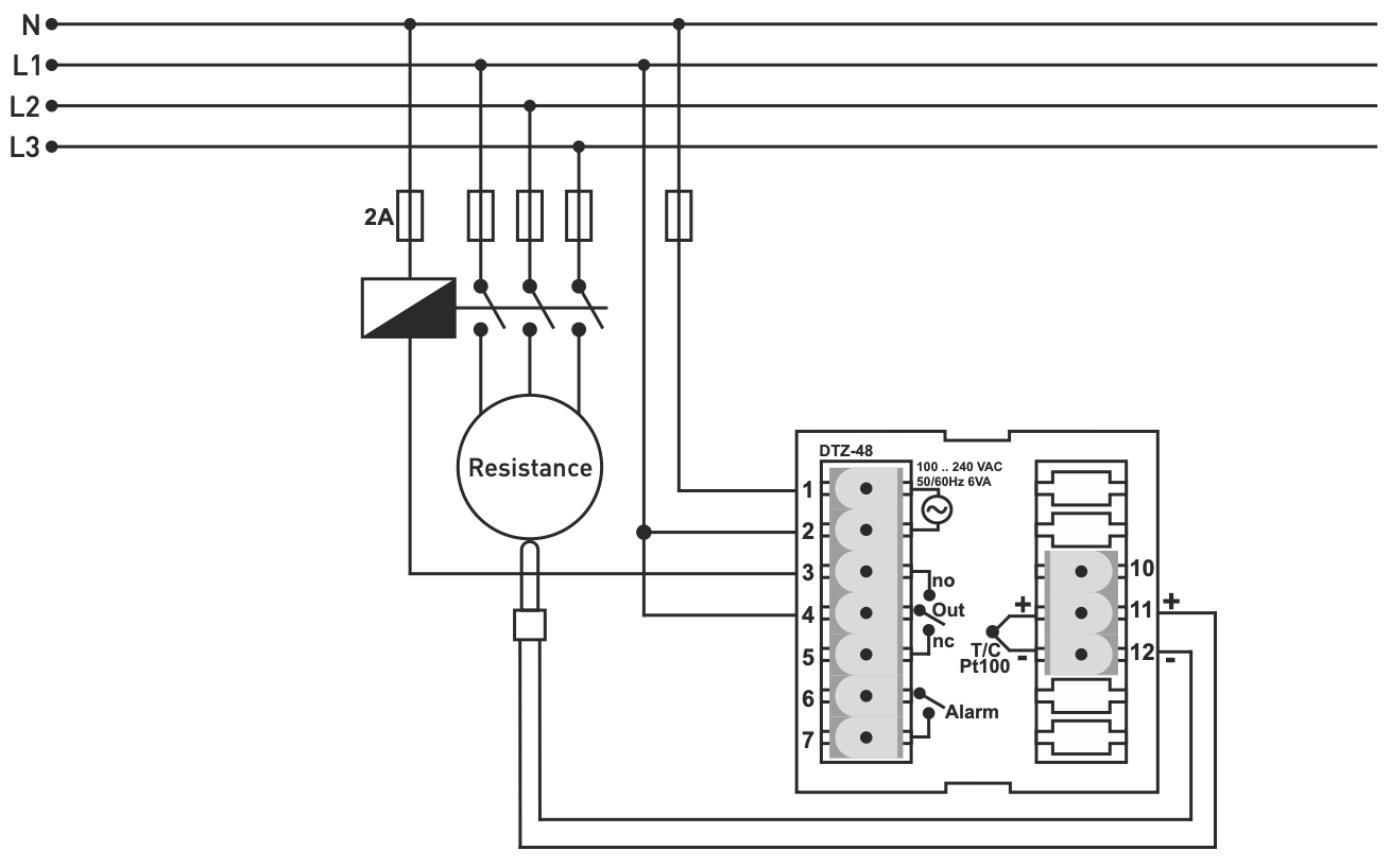
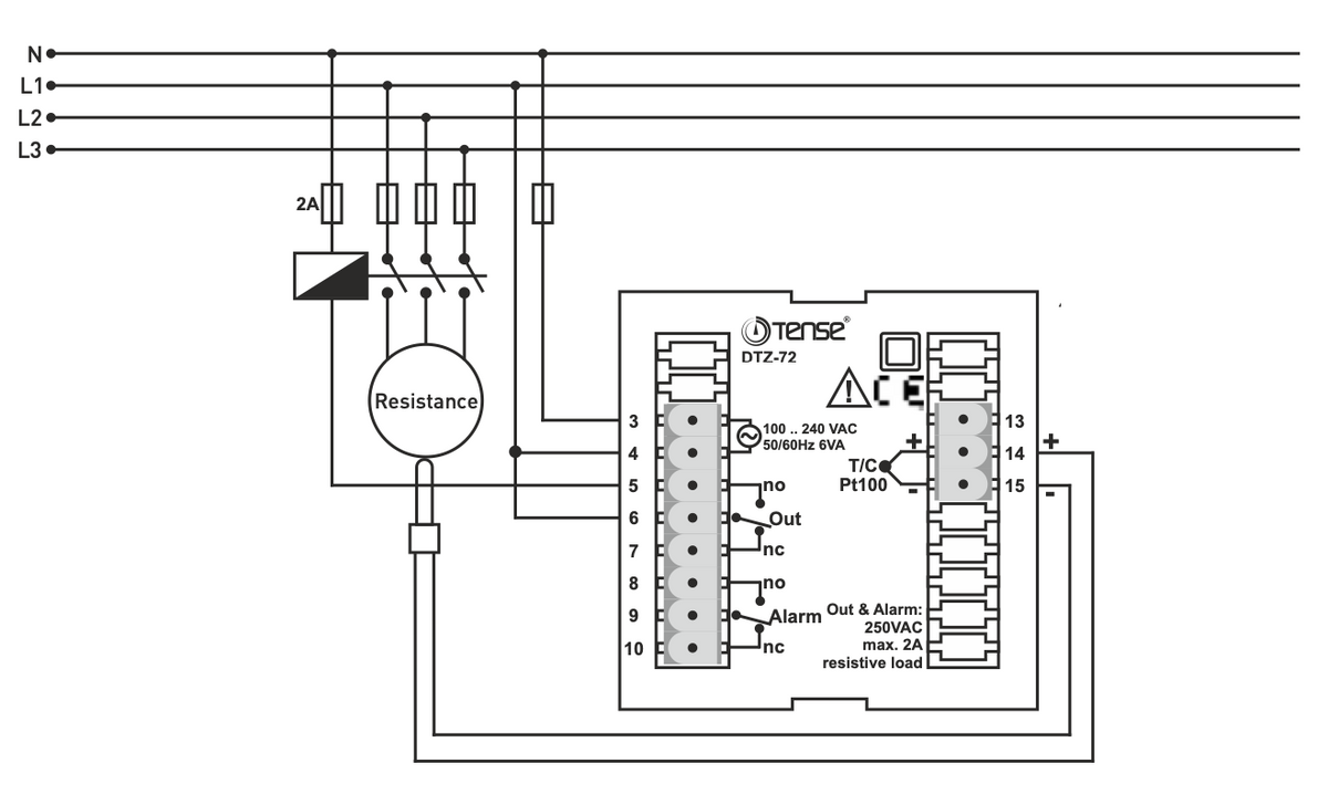
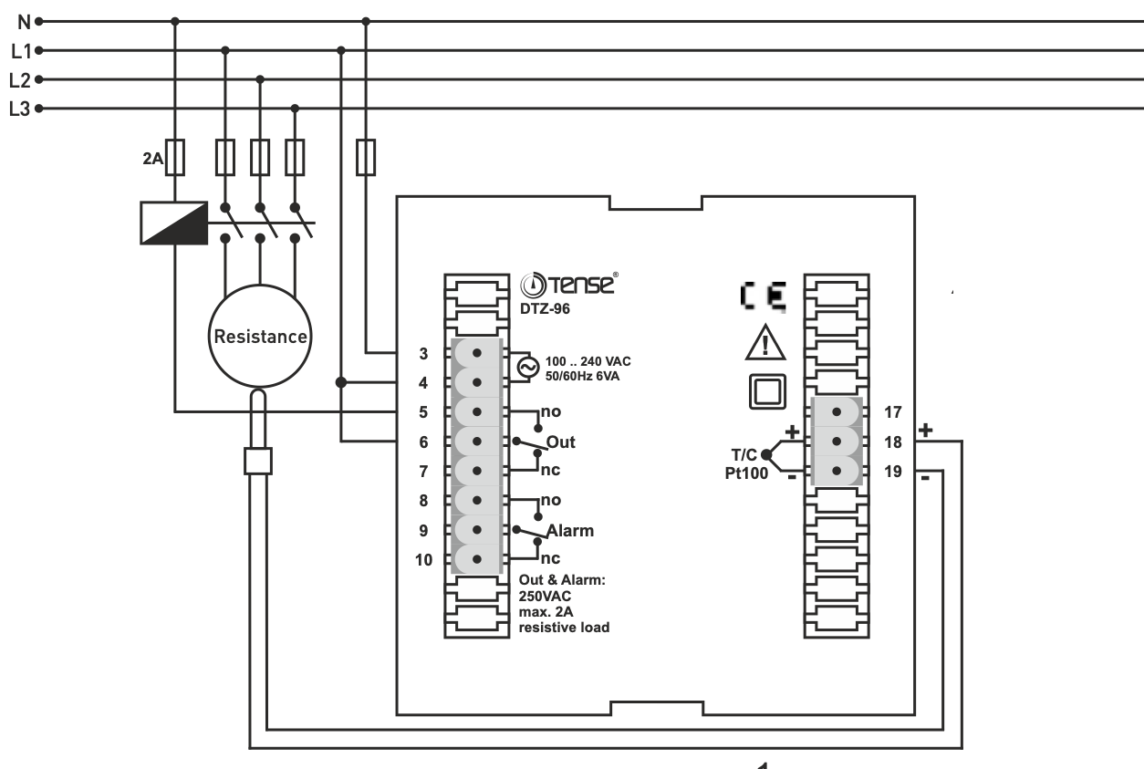
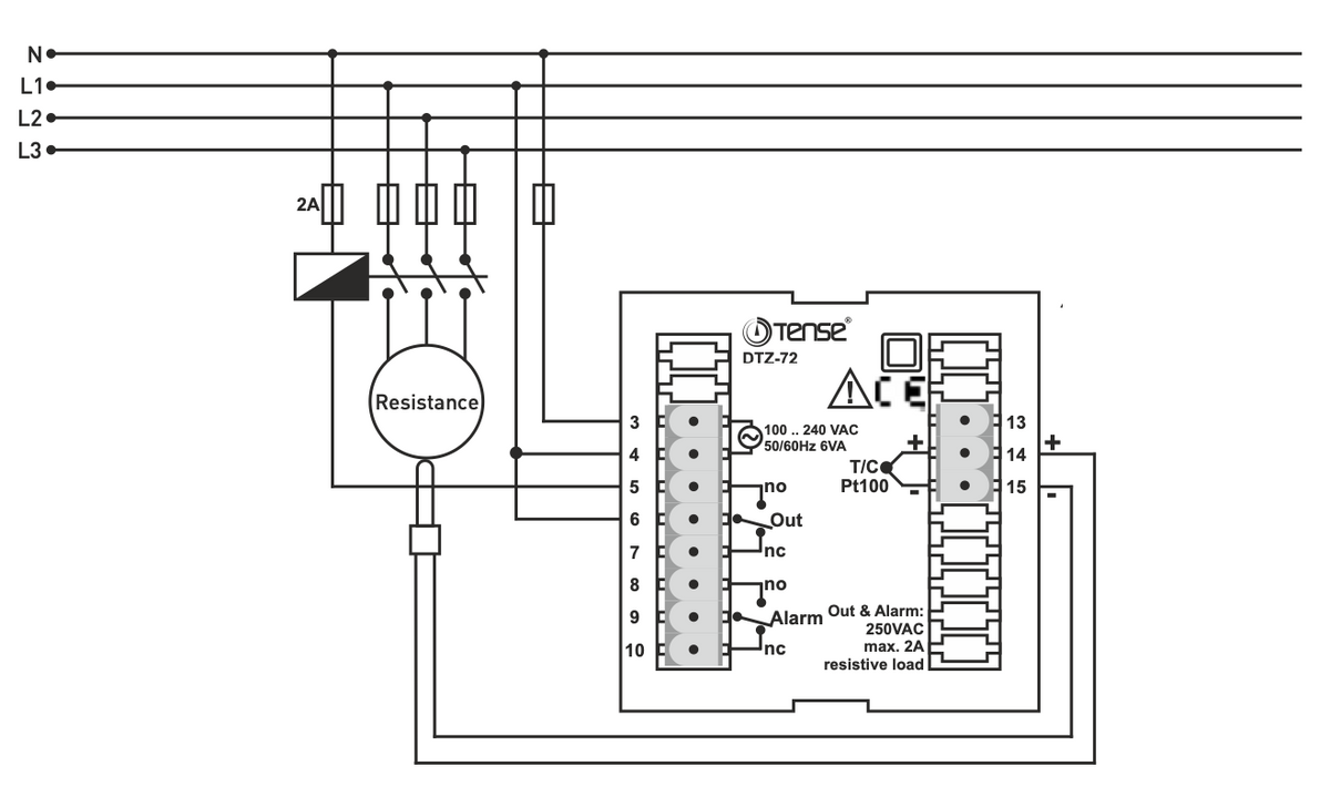
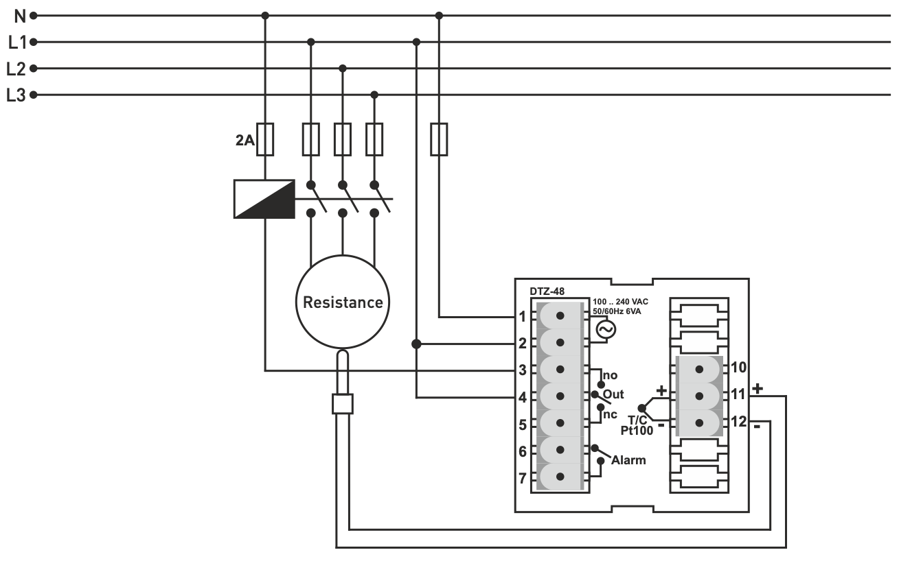
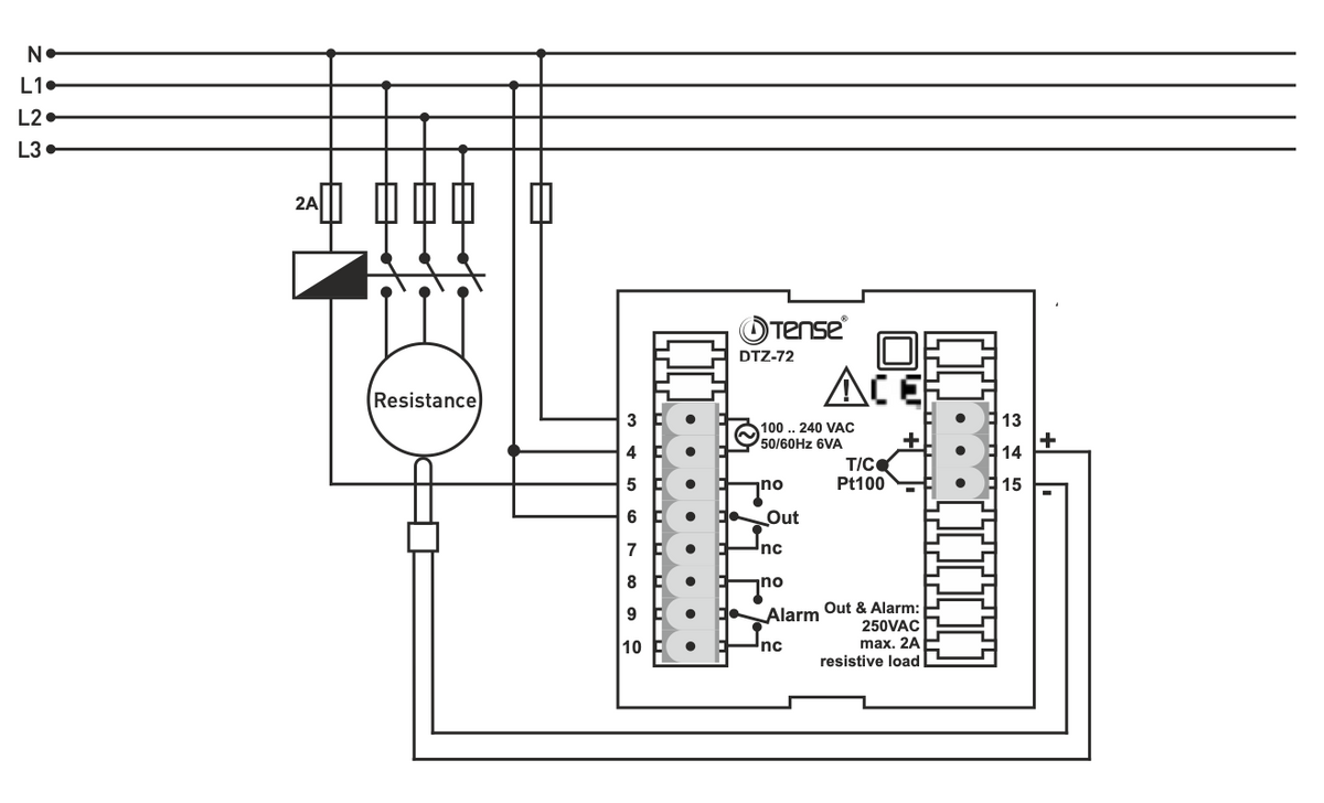
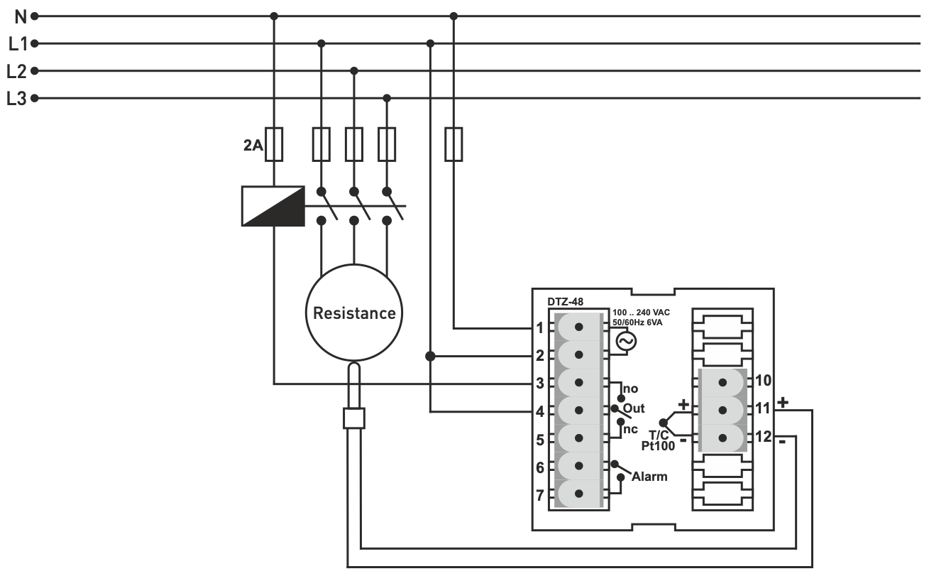
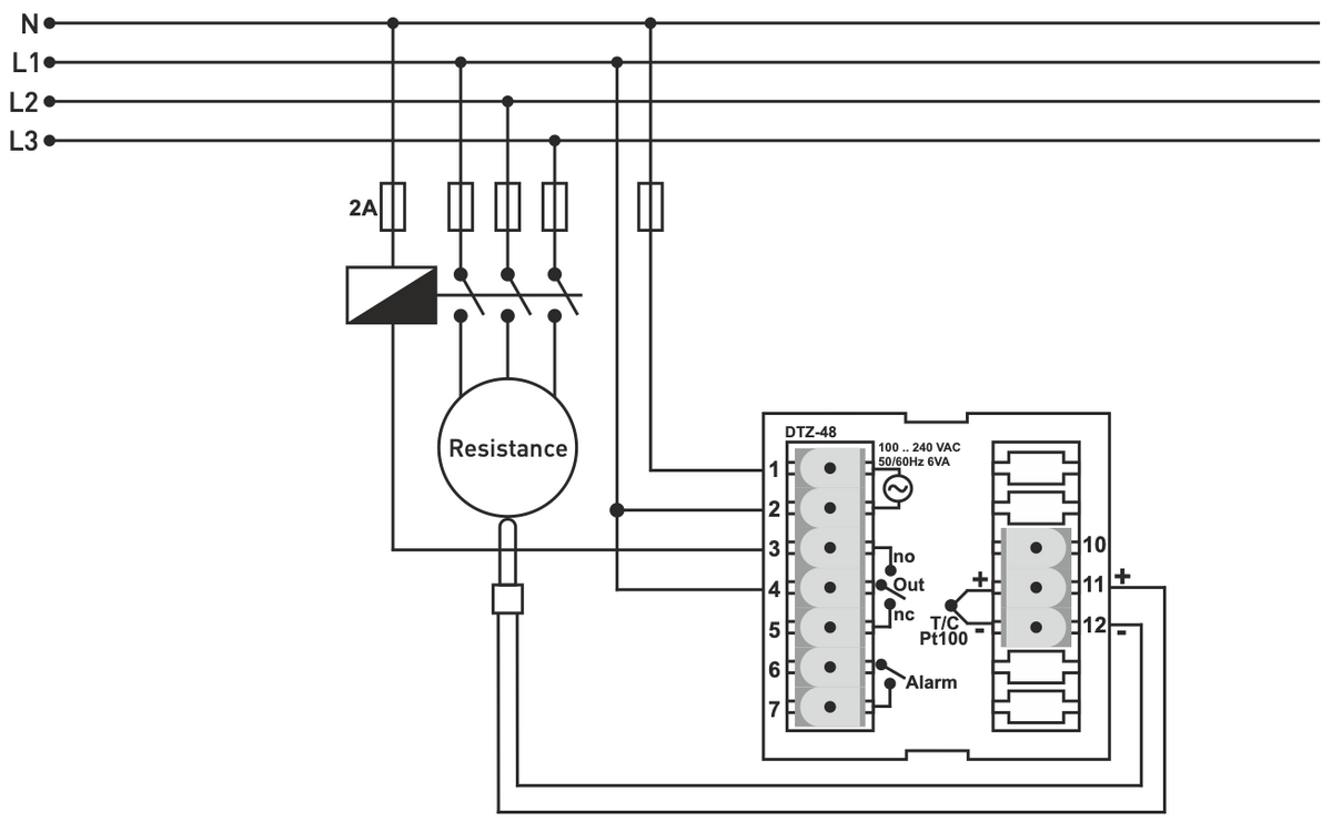
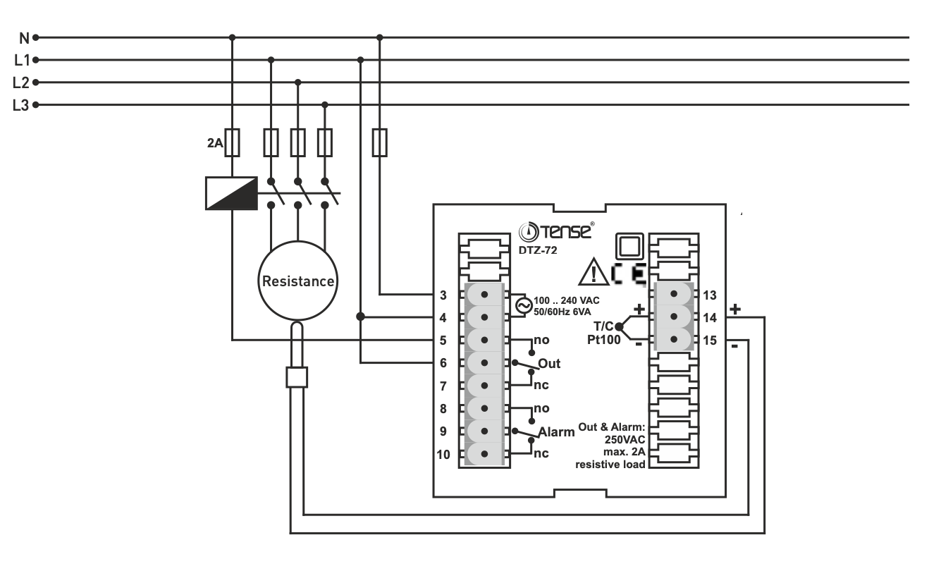
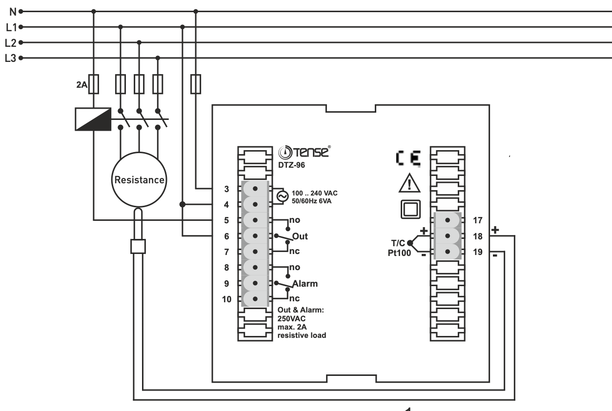
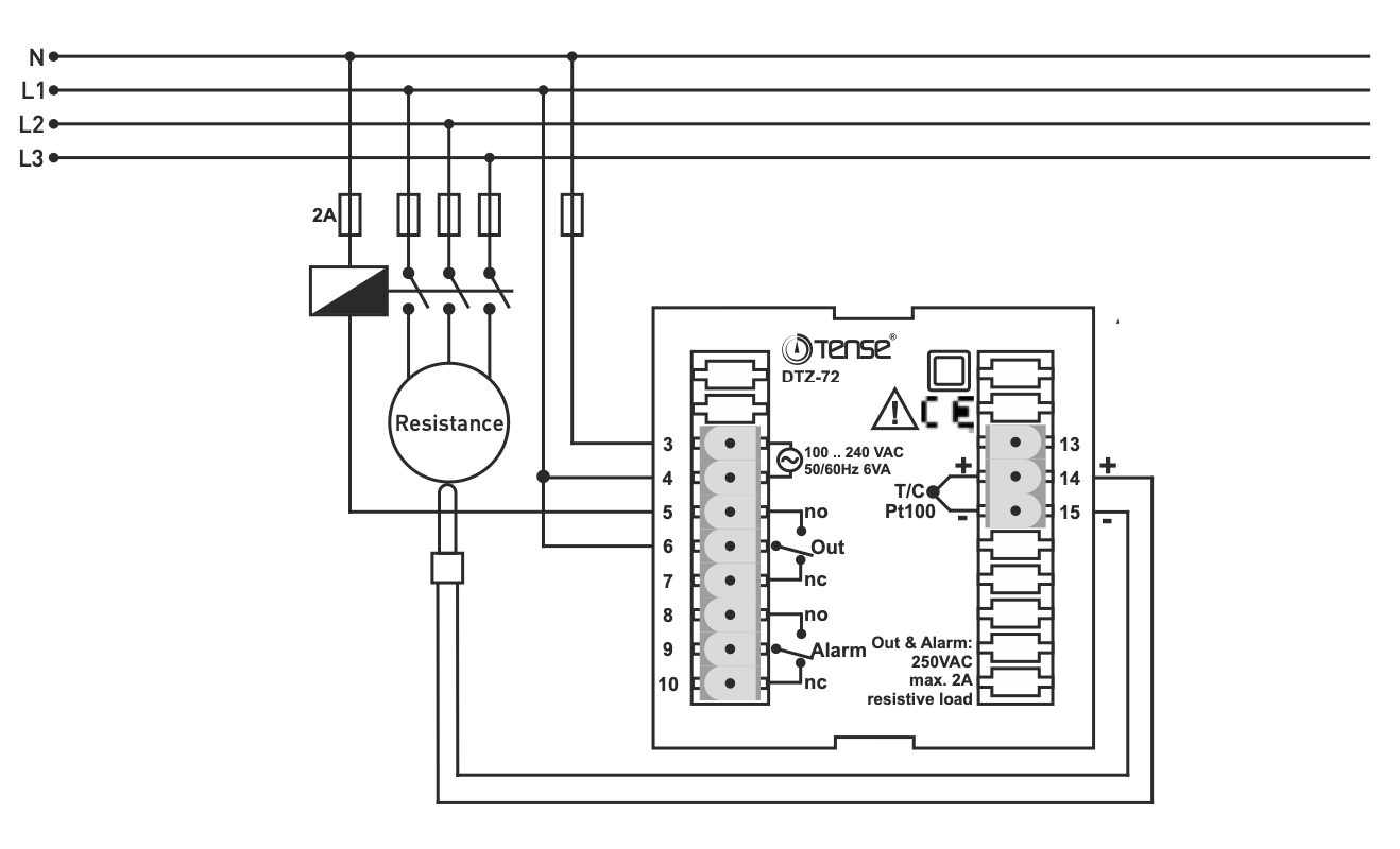
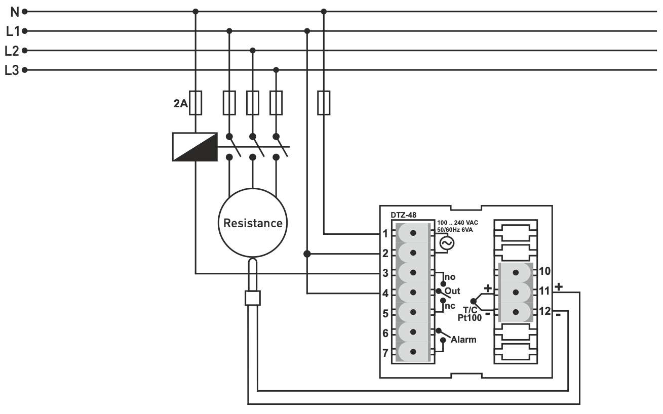
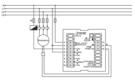
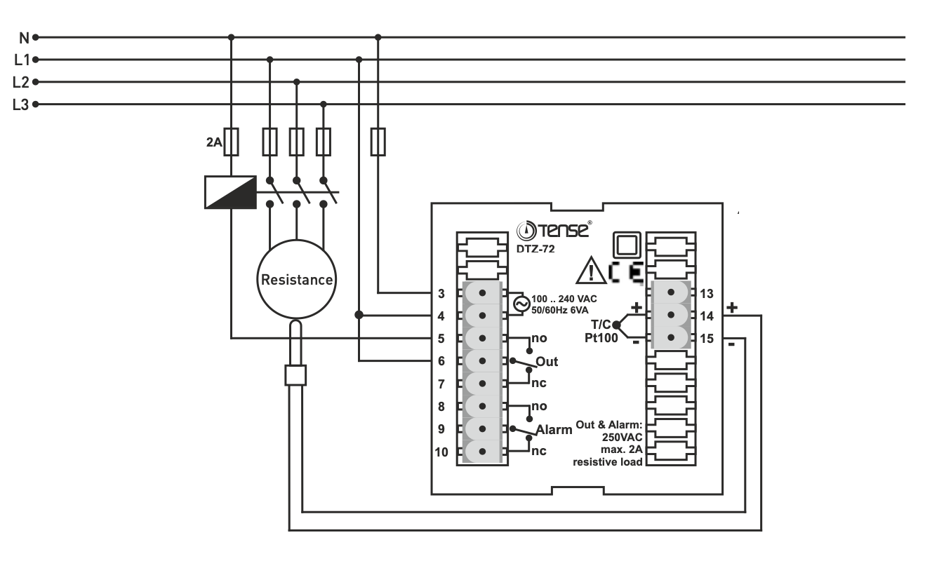
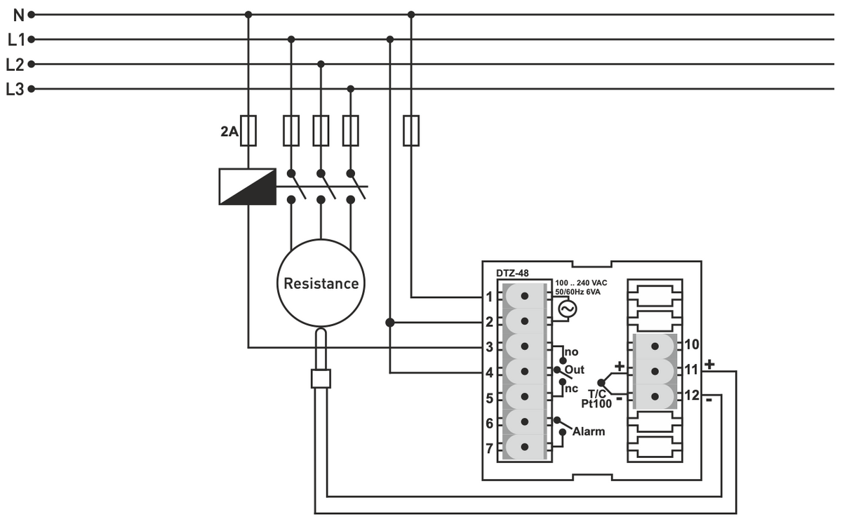
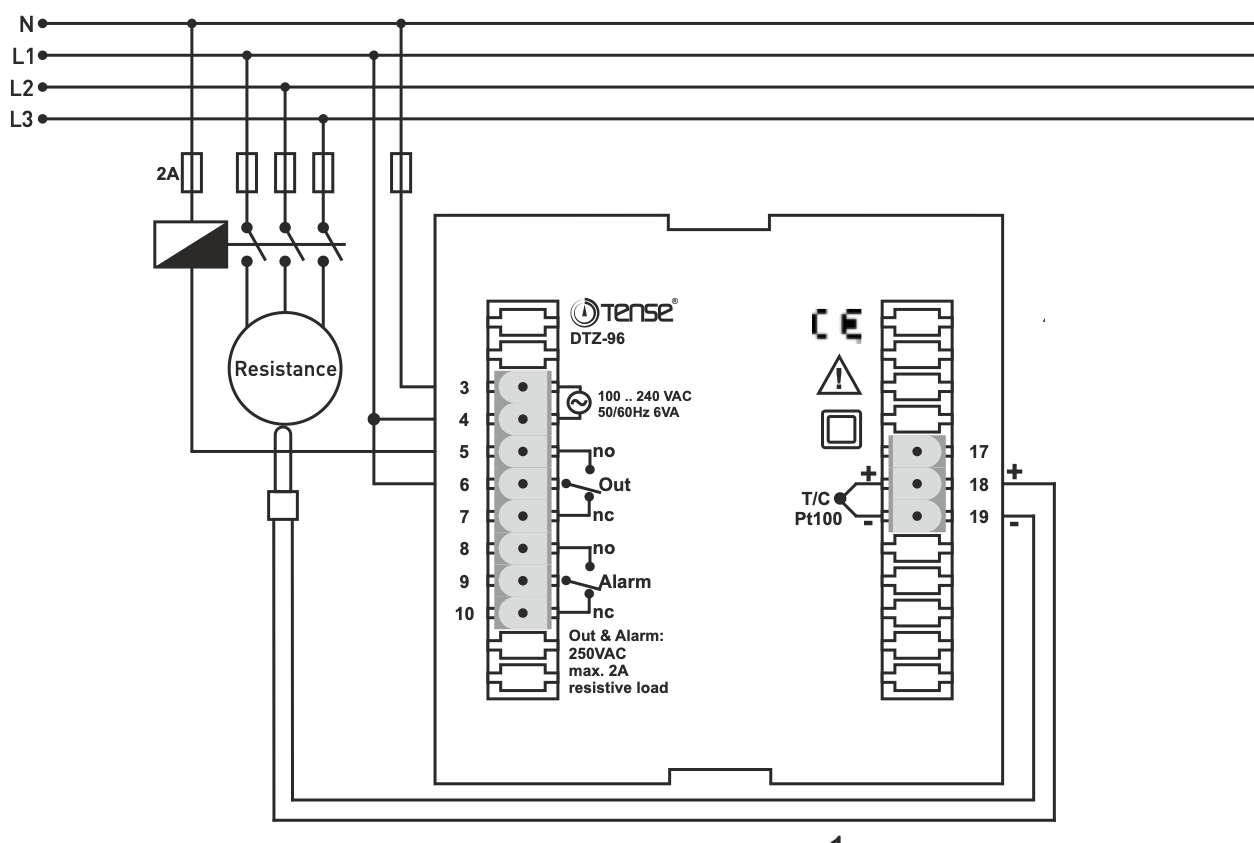
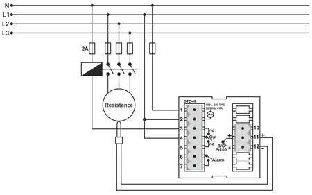
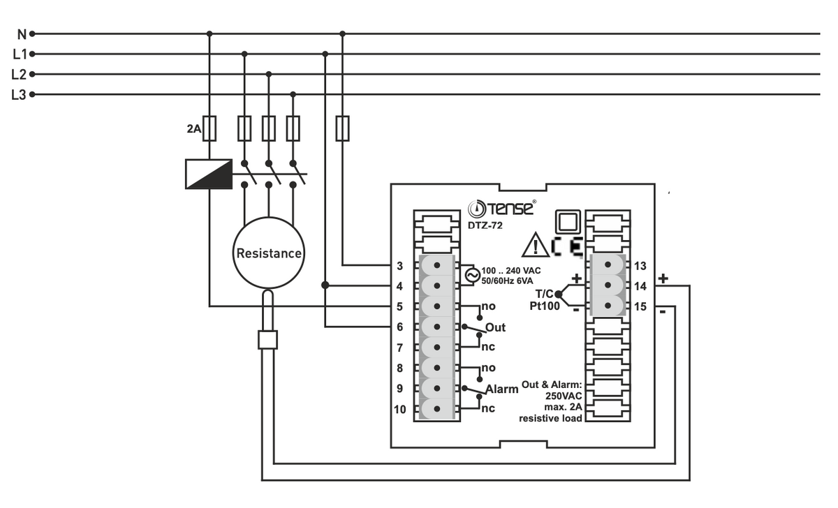
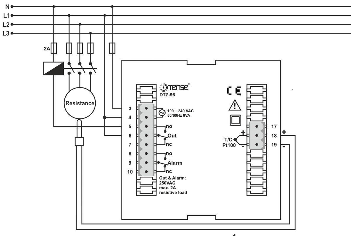
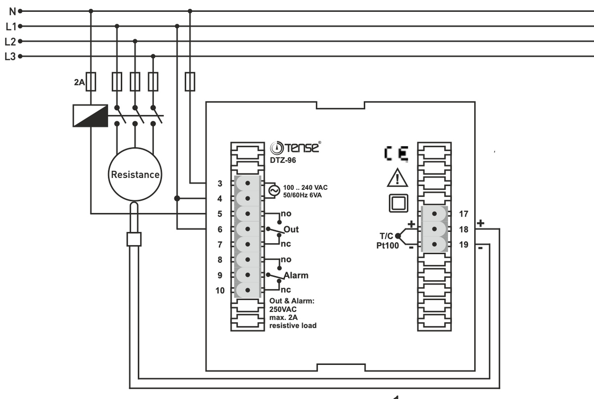
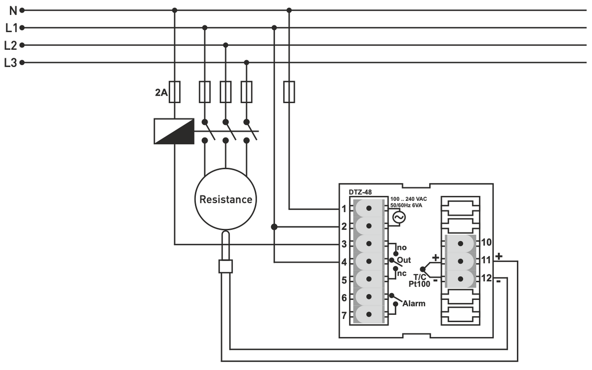
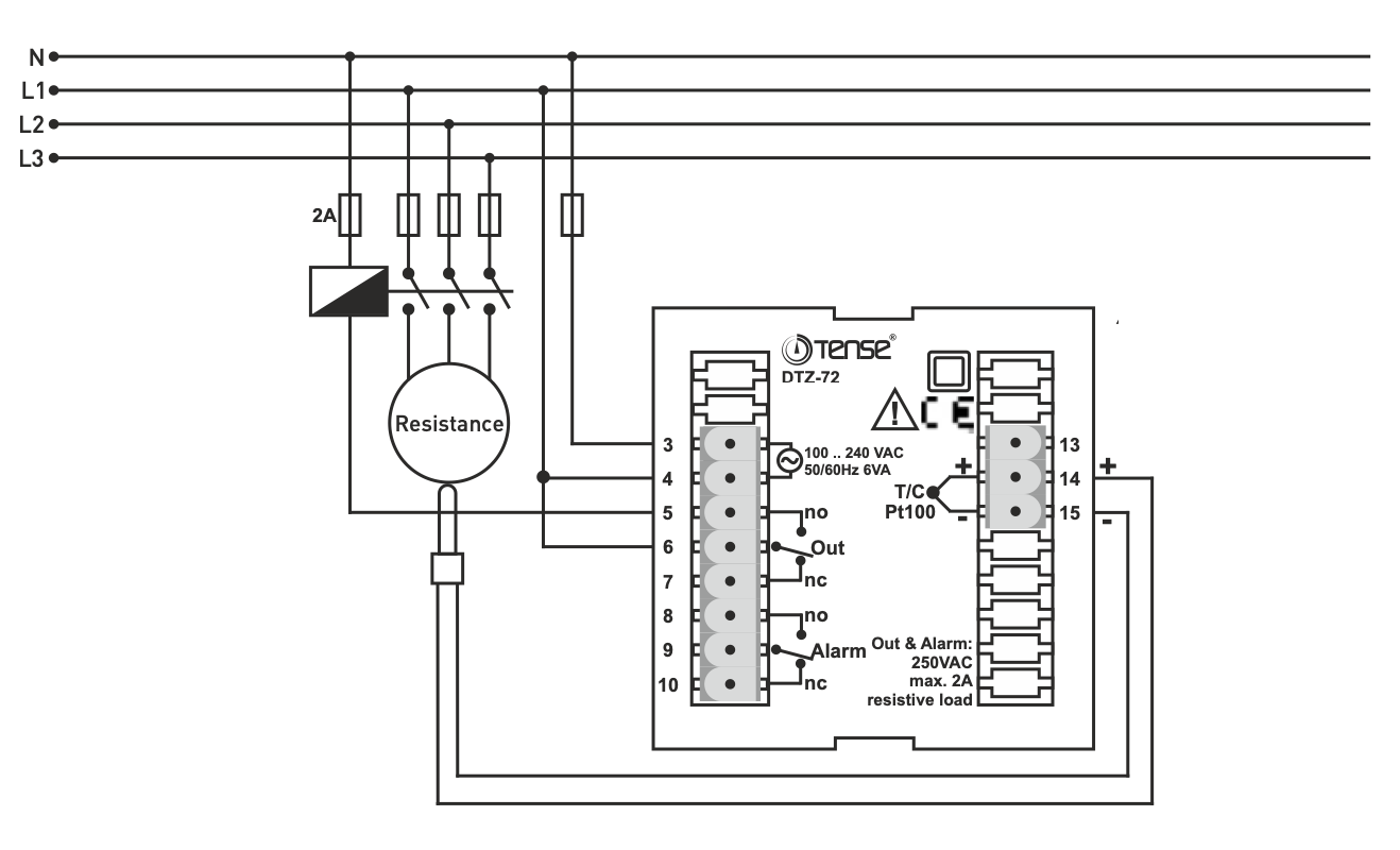
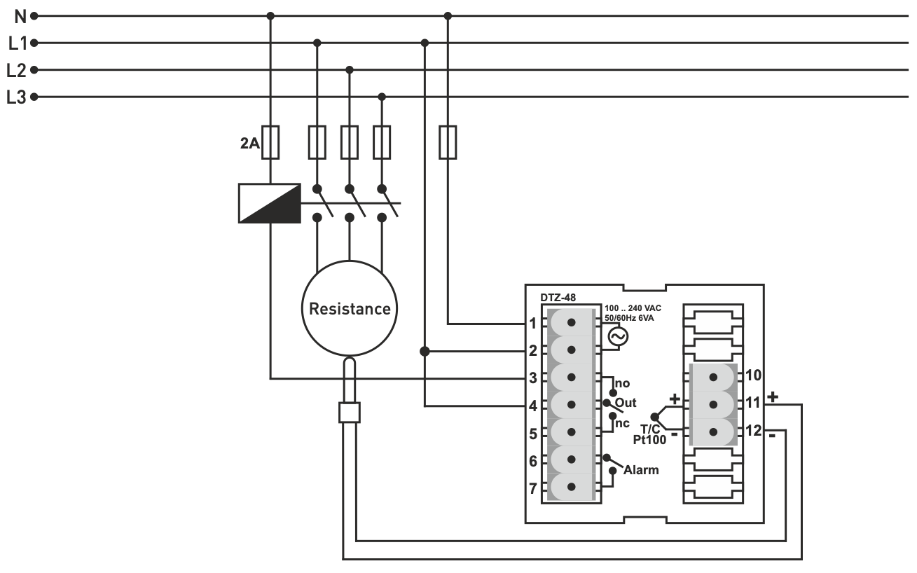
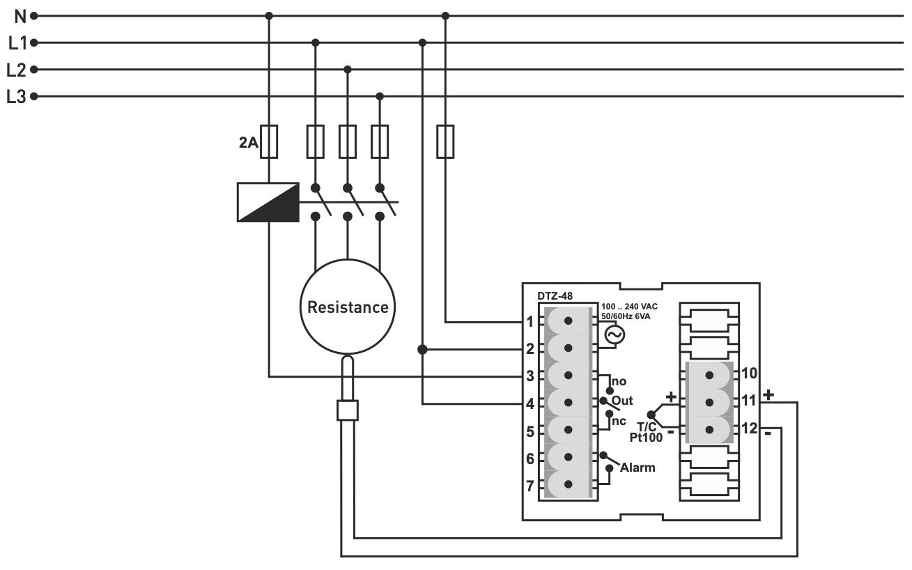
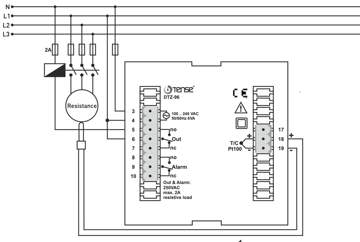
Dual display panel mount PID temperature controller with timer function, 2 output relays, -100°C ... +1750°C, resolution / step 0.1ºC, TENSE (Turkey)
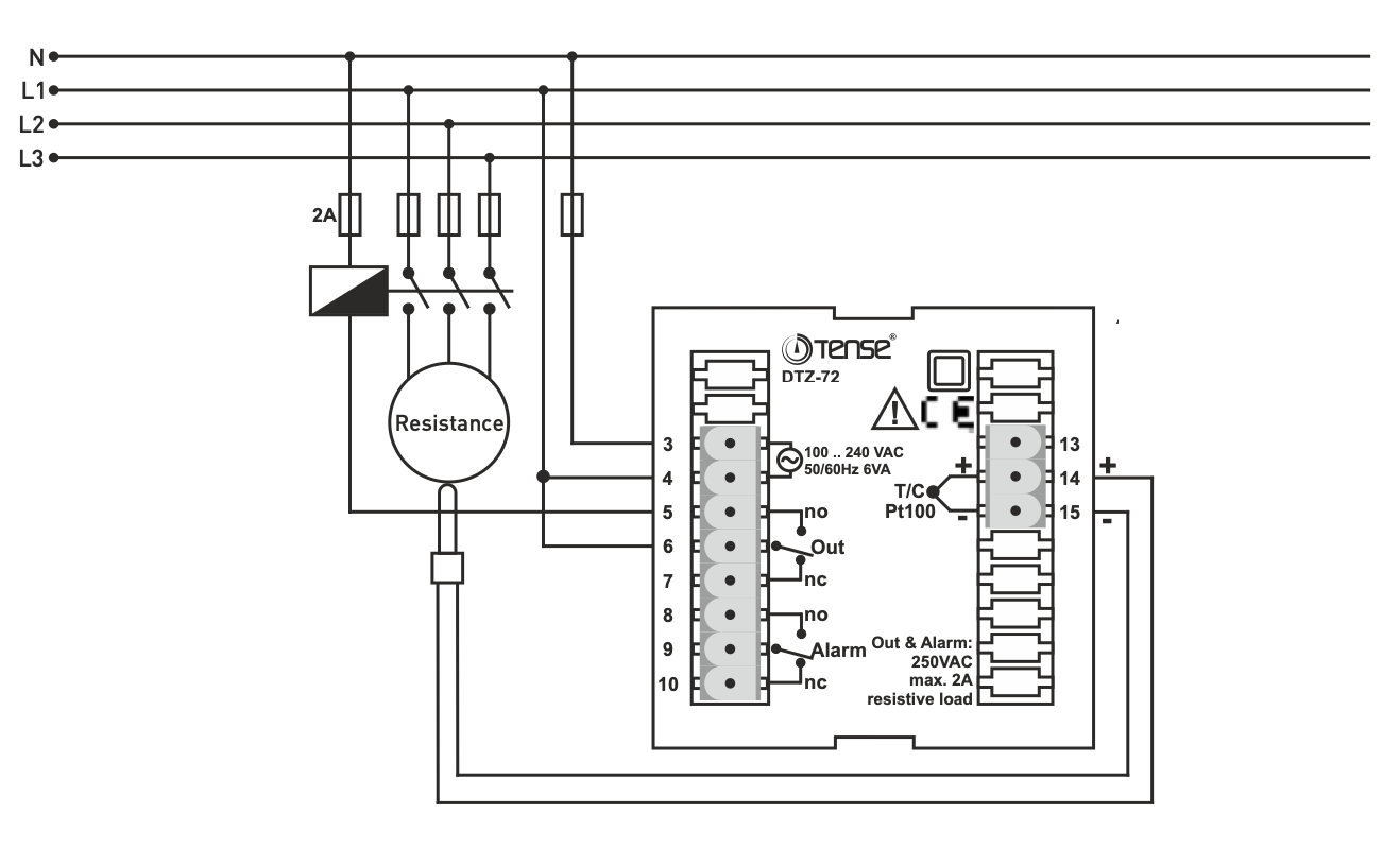
New series of TENSE microprocessor PID Temperature Controllers wit dual display for set and process value (SV+PV), Timer Function, wide temperature control range and universal input for temperature probes, two output relays - provides customers with powerful instrument for cost-effective and highly versatile temperature control in such applications as:
- OEM
- Food & Beverage
- Plastics Extrusion
- Furnaces & Ovens
- Catering Equipment
- Incubators
- R&D and lab equipment
- hot plates
- HVAC applications
Features
- Microprocessor Based, PID Temperature Controller with Built in Timer
- Auto-tuning for PID Parameters
- Sensor Type: T/C (J,K,T,S,R), Pt100
- Selectable Control Type: P, PI, PD, PID or ON-OFF
- Automatic “Overshoot” Elimination in PID Mode
- Upper and Lower Limit for SET Value
- Cold-junction Compensation for T/C
- Line Compensation for Pt100
- Excellent Linearity with °C/mV and °C/W Look-up Tables
- Input “Offset” Feature
- Ability to Set up to 99:59 Hours
- Adjustable ALARM ON Time up to 99:59 Hours
- Selectable Auto OFF after Timer T.SET Time for OUT output
- Possibility to monitor SET and Remaining Time Values Intermittently
- Password Protection
- High Accuracy
- EEPROM Memory to Store Settings
- Optional SSR Output
- Easy Connection with Plug-in Connectors
You can order our temperature sensors - type J Fe-Const thermocouples (metric 6/8) with a temperature measurement scale: -100 °C - +600 °C by following this link
Manuals
Online card payment - after completing the order, you will be redirected to the payment gateway, payment confirmation will be sent to your email.
By bank transfer- you will receive an invoice to your e-mail no later than the next working day, on which you will find the account number that you will enter during payment.
All equipment we supply meets high quality standards and has a 24-month warranty, and complies with EU/UK requirements.
Our warranties shall not apply to any defect which arises from improper use, failure to follow the product instructions, or any repair or modification made without our consent.
