
Notified by email when this product becomes available
- Description
- Download
- Payment methods
- Warranty
Digital phase and neutral failure, asymmetry detection and under / over voltage protection relay with NO+NC output, DIN rail mount, TENSE (Made in Turkey)
The FKV-03HF is an asymmetry-adjustable phase failure and sequence monitoring relay with under/over voltage protection manufactured by Tense Electronics. It is designed to protect three-phase motors and loads from electrical damage caused by AC voltage irregularities.
- Phase Sequence / Reverse detection;
- Phase loss detection;
- Neutral loss detection;
- Adjustable phase asymmetry trip level: 5% – 50%
- High Voltage Protection: 400V – 480V AC (Adjustable)
- Low Voltage : 260V – 360V AC (Adjustable)
- Error Waiting Time : 1 sec. – 30 sec. (adjustable)
- Reset Time after fault removal: 1sec. – 30 sec. (adjustable)
- 3xLED displays
Applications
It is primarily used to safeguard:
- Electric Motors: Prevents overheating and burnout from phase imbalances or loss.
- Compressors: Protects against reverse rotation caused by incorrect phase sequence.
- Industrial Machinery: Acts as a general-purpose protection relay for three-phase systems
Technical Specifications
- Monitoring volatage: 3x380V AC 50/60Hz
- Power supply: 220V AC 50/60 Hz
- Asymmetry adjusting: 5% - 50%
- Output: NO+NC, 5A / 250VAC Resistive Load
- Power consumption: <6VA;
- Operating temperature: -20C...+55C ;
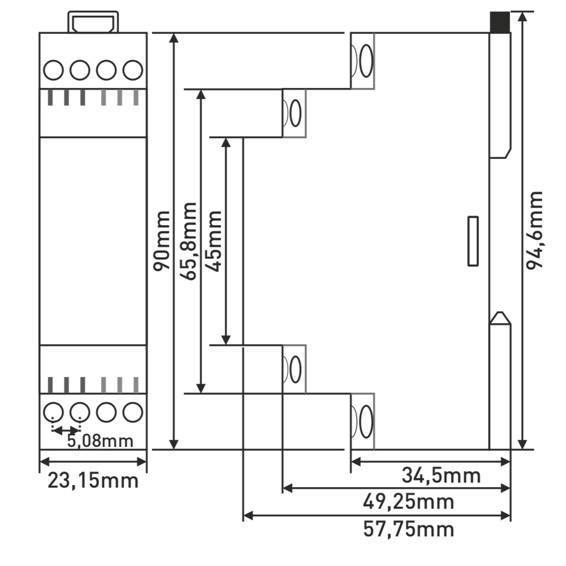
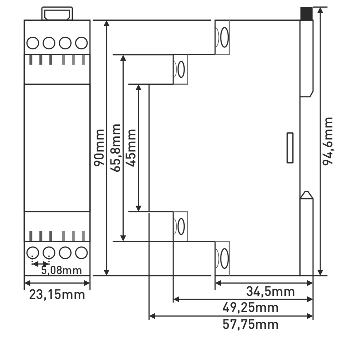
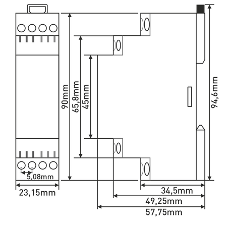
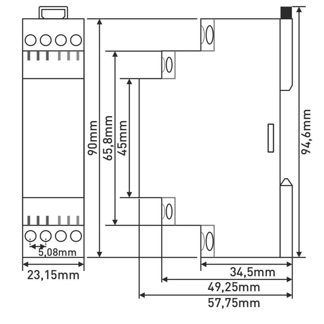
- Mounting: 35mm DIN rail.
Online card payment - after completing the order, you will be redirected to the payment gateway, payment confirmation will be sent to your email.
By bank transfer- you will receive an invoice to your e-mail no later than the next working day, on which you will find the account number that you will enter during payment.
All equipment we supply meets high quality standards and has a 24-month warranty, and complies with EU/UK requirements.
Our warranties shall not apply to any defect which arises from improper use, failure to follow the product instructions, or any repair or modification made without our consent.
