
Notified by email when this product becomes available
- Description
- Payment methods
- Warranty
|
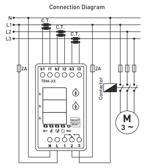
Three-phase current relay for load current control/limiting in the range of 40-100 A, manufacturer TENSE (Turkey) The TRM-100 digital overcurrent relays are designed to protect loads from damage caused by high currents, while allowing control of operation. - 40-100 A (adjustable overcurrent value)
Use of the device and principle of operation
When the device is switched on:
Description The TRM-100 series electronic current relay is designed for automatic disconnection of appliances when the maximum allowable current is exceeded.
Reset modes: - Manual mode: After an overcurrent fault, the device must be reset by pressing the Reset button. In this mode, the appropriate LED is illuminated. Note: To change the mode, hold the SELECT button for 10 seconds. When the mode is changed, the corresponding LED will light up. Asymmetry 50% (fixed) If the difference between the largest and smallest phase current exceeds 50%, the device will enter the asymmetry fault mode within 2 seconds. When an asymmetry fault occurs: Technical parameters: - Operating voltage: 150-260 V AC Note: The TRM-50, TRM-100, TRM-200 and TRM-300 can only be used with the current transformers supplied.
Basic
|
Online card / PayPal payment - after completing the order, you will be redirected to the payment gateway, payment confirmation will be sent to your email.
Bank deposit- you will transfers money from you bank account into our bank account to complete your purchase. You will receive an invoice to your email no later than the next working day.
We warrant that on delivery, and for a period of 12 months from the date of delivery any products which are goods shall:
- conform in all material respects with their description and any relevant specification;
- be free from material defects in design, material and workmanship;
- be of satisfactory quality
- In the event of any goods being materially defective, we will replace or repair the product or refund the purchase price.
These warranties shall not apply to any defect which arises from improper use, failure to follow the product instructions, or any repair or modification made without our consent.
