
Notified by email when this product becomes available
- Description
- Payment methods
- Warranty
|
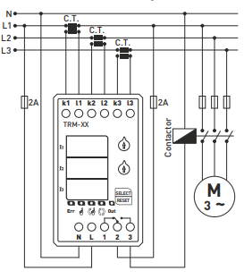
Load monitoring/limiting relay, 3-phase, range 15-50 A, manufacturer TENSE (Turkey) The TRM-50 digital overload relay is designed to protect loads from damage caused by high currents, while allowing control of operation.
Use of the device and operating principle
When the device is switched on:
The TRM-50 series electronic current relay is designed to automatically disconnect consumers when the maximum allowable currents are exceeded. It has a programmable tripping range, trip time and reverse trip settings. There are 3 modes of return to "operating" state - MANUAL, SEMI-AUTO, AUTO. Reset Modes
Note: To change the mode, hold the SELECT button for 10 seconds. When the mode is changed, the corresponding LED will light up. Current asymmetry 50% (fixed) If the difference between the highest and lowest current in the phases exceeds 50%, the device will enter the asymmetry error mode within 2 seconds (prevents damage to the system when one phase is lost). When an asymmetry error occurs:
Technical parameters
Note: The TRM-50, TRM-100, TRM-200 and TRM-300 can only be used with the current transformers supplied.
Basic
|
Online card / PayPal payment - after completing the order, you will be redirected to the payment gateway, payment confirmation will be sent to your email.
Bank deposit- you will transfers money from you bank account into our bank account to complete your purchase. You will receive an invoice to your email no later than the next working day.
We warrant that on delivery, and for a period of 12 months from the date of delivery any products which are goods shall:
- conform in all material respects with their description and any relevant specification;
- be free from material defects in design, material and workmanship;
- be of satisfactory quality
- In the event of any goods being materially defective, we will replace or repair the product or refund the purchase price.
These warranties shall not apply to any defect which arises from improper use, failure to follow the product instructions, or any repair or modification made without our consent.
