
Notified by email when this product becomes available
- Description
- Download
- Payment methods
- Warranty
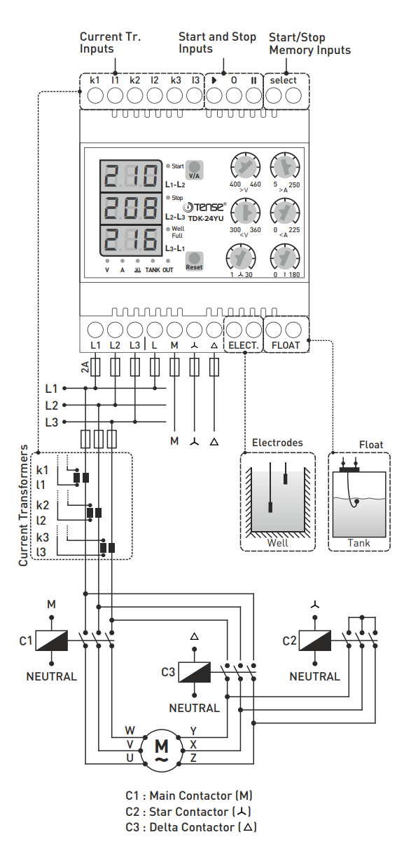
Simple DIN rail mount controller for submersible 3 phase pump , for deep well and tank water levels, with 3 CTs, 5-250A, TDK-24YU, TENSE
TENSE water level / submersible pump controller TDK-24YU is designed to control process of proper work for a well-pump-tank combination. It offers a wide variety of functions, such as dry run protection, high/low voltage protection, high/low current protection, asymmetry protection, Star/Delta outputs and many more features listed below.
Main features
- 5A – 250A current Pump (via 3 CTs included in delivery scope)
- Star-Delta Contact Output
- High/Low Voltage Protection
- High/Low Current Protection
- Voltage and Current Asymmetry Protection
- Error Waiting Time (Fixed)
- Auto Reset Time (Adjustable for low current, fixed for voltages)
- Upper Electrode Waiting Time
- Fuse Current Protection
- Demurrage Protection
- Electrode and Float can be Connected
Online card / PayPal payment - after completing the order, you will be redirected to the payment gateway, payment confirmation will be sent to your email.
Bank deposit- you will transfers money from you bank account into our bank account to complete your purchase. You will receive an invoice to your email no later than the next working day.
We warrant that on delivery, and for a period of 12 months from the date of delivery any products which are goods shall:
- conform in all material respects with their description and any relevant specification;
- be free from material defects in design, material and workmanship;
- be of satisfactory quality
- In the event of any goods being materially defective, we will replace or repair the product or refund the purchase price.
These warranties shall not apply to any defect which arises from improper use, failure to follow the product instructions, or any repair or modification made without our consent.
