
Notified by email when this product becomes available
- Description
- Download
- Payment methods
- Warranty
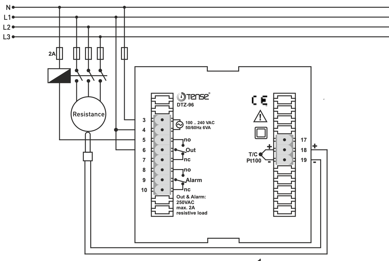
Dual display panel mount PID temperature controller with timer function, 2 output relays, -100°C ... +1750°C, resolution / step 0.1ºC, TENSE (Turkey)
New series of TENSE microprocessor PID Temperature Controllers wit dual display for set and process value (SV+PV), Timer Function, wide temperature control range and universal input for temperature probes, two output relays - provides customers with powerful instrument for cost-effective and highly versatile temperature control in such applications as:
- OEM
- Food & Beverage
- Plastics Extrusion
- Furnaces & Ovens
- Catering Equipment
- Incubators
- R&D and lab equipment
- hot plates
- HVAC applications
Features
- Microprocessor Based, PID Temperature Controller with Built in Timer
- Auto-tuning for PID Parameters
- Sensor Type: T/C (J,K,T,S,R), Pt100
- Selectable Control Type: P, PI, PD, PID or ON-OFF
- Automatic “Overshoot” Elimination in PID Mode
- Upper and Lower Limit for SET Value
- Cold-junction Compensation for T/C
- Line Compensation for Pt100
- Excellent Linearity with °C/mV and °C/W Look-up Tables
- Input “Offset” Feature
- Ability to Set up to 99:59 Hours
- Adjustable ALARM ON Time up to 99:59 Hours
- Selectable Auto OFF after Timer T.SET Time for OUT output
- Possibility to monitor SET and Remaining Time Values Intermittently
- Password Protection
- High Accuracy
- EEPROM Memory to Store Settings
- Optional SSR Output
- Easy Connection with Plug-in Connectors
You can order our temperature sensors - type J Fe-Const thermocouples (metric 6/8) with a temperature measurement scale: -100 °C - +600 °C by following this link
Manuals
Online card / PayPal payment - after completing the order, you will be redirected to the payment gateway, payment confirmation will be sent to your email.
Bank deposit- you will transfers money from you bank account into our bank account to complete your purchase. You will receive an invoice to your email no later than the next working day.
We warrant that on delivery, and for a period of 12 months from the date of delivery any products which are goods shall:
- conform in all material respects with their description and any relevant specification;
- be free from material defects in design, material and workmanship;
- be of satisfactory quality
- In the event of any goods being materially defective, we will replace or repair the product or refund the purchase price.
These warranties shall not apply to any defect which arises from improper use, failure to follow the product instructions, or any repair or modification made without our consent.
