
Notified by email when this product becomes available
- Description
- Download
- Payment methods
- Warranty
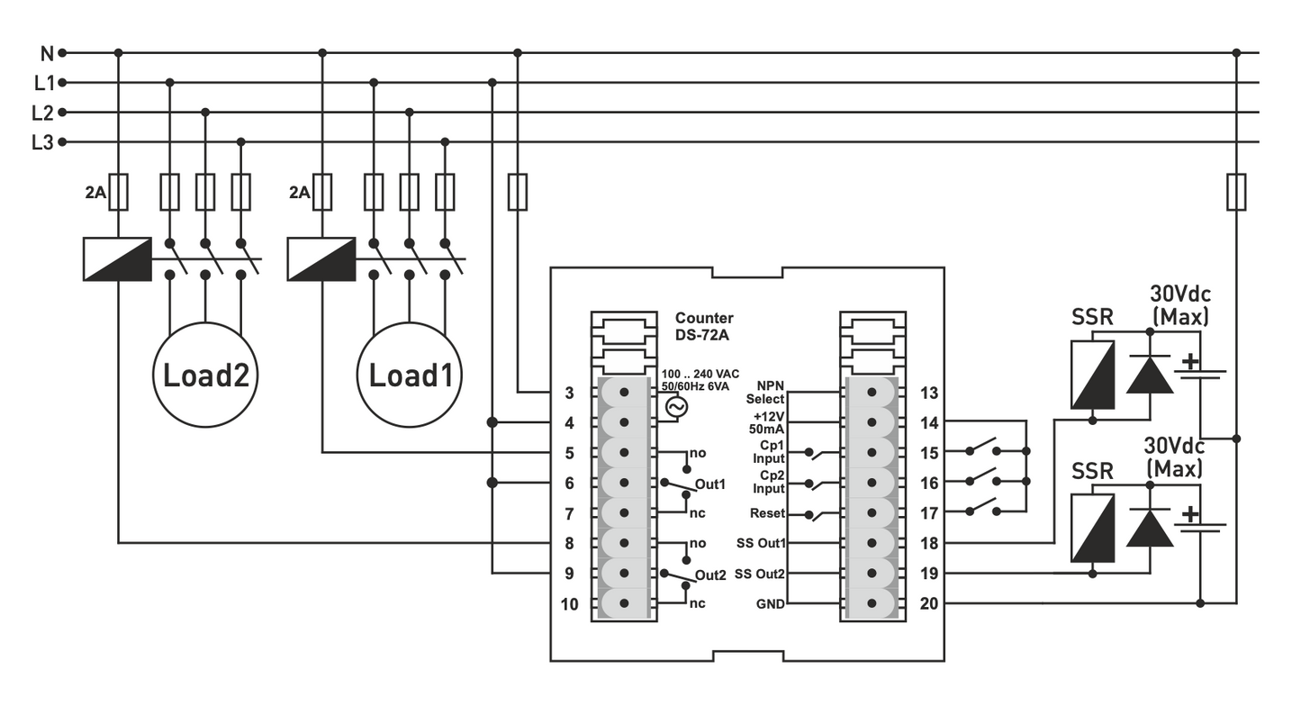
Panel mount digital pulse counter, up to 7500 Hz impulse count with 3 inputs and 4 outputs (2 x relay NO+NC and 2 x open collector NPN) with LED displays, 100V-240V AC , TENSE (Made in Turkey).
DS-72A TENSE is a digital pulse up/down counter designed to perform a number of tasks depending on input pulses in wide range of industrial applications like manufacturing, packaging, assembling, sorting, counting etc.
Main features:
- Dual Contact Forward/Reverse Differential Counter
- Counts Switch, Proximity Switch & Incremental Encoder Input
- Password Protection
- Selectable Input Frequency
- Calibration Constant; 0.00001…..9.99999
- Selectable Decimal Point; 1. ….. 5. Digit
- 7 Input/10 Output Function Options
- Ads “OFFSET” to Count Value
- PRESET1: Absolute/Relative Option
- OUT: Latch or 0.1…..999.9 Seconds Pulse
- Loads Count Value & OUT Status at the Lastest Power Failure After the First Power On
- RESET via Front Panel
- EEPROM Memory to Store Settings
Technical Specifications:
- Panel cutout: 67mm x 67mm;
- Count Inputs: 2 x (Max: 7500 Hz, 5-30V);
- Sensor Types: PNP/NPN proximity switch, NPN/PNP/Totem-pole output encoder;
- Outputs: 2xRelay (NO+NC), 250VAC, 2A, Resistive load, + 2xOpen Collector (NPN), 30V, 100mA max;
- Sensor Power Supply: 12VDC, 50mA(max.), unregulated;
- Supply Voltage: 100...240VAC, 50-60Hz;
- Power Consumption: < 8VA;
- Operating temperature: -20C....55C
Online card / PayPal payment - after completing the order, you will be redirected to the payment gateway, payment confirmation will be sent to your email.
Bank deposit- you will transfers money from you bank account into our bank account to complete your purchase. You will receive an invoice to your email no later than the next working day.
We warrant that on delivery, and for a period of 12 months from the date of delivery any products which are goods shall:
- conform in all material respects with their description and any relevant specification;
- be free from material defects in design, material and workmanship;
- be of satisfactory quality
- In the event of any goods being materially defective, we will replace or repair the product or refund the purchase price.
These warranties shall not apply to any defect which arises from improper use, failure to follow the product instructions, or any repair or modification made without our consent.
