
Notified by email when this product becomes available
- Description
- Download
- Payment methods
- Warranty
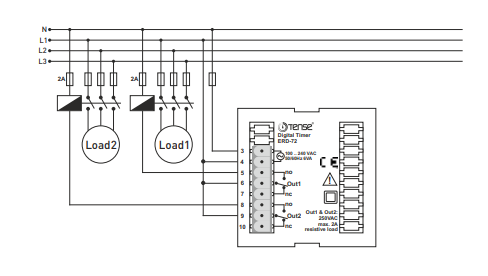
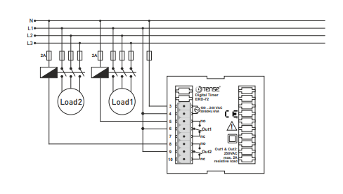
Panel mount two function timer relay - asymmetric / symmetric cycle flasher + ON Delay timer , 100V-240VAC, DPDT, TENSE (made in Turkey)
Tense ERD timer is a new multifunctional asymmetric / symmetric flasher relay (cyclic timer relay) with LED display manufactured by Tense Electronics. It is designed for applications requiring alternating "On" and "Off" time control , such as industrial equipment, ventilation, or lighting systems such as:
- Regular room or pool ventilation;
- Advertizing with light or turning parts;
- Signalling / alarm equipment;
- Cyclic dehumidification;
- Signalling / alarm equipment;
ON-DELAY function for switching different loads in steps to prevent current surges or to synchronise switching of several devices if it is needed. Can be used for electric boilers, furnaces, heaters, woodworking machines, conveyors, loaders, motors, fans, lights etc.
Key features:
- Operating Range: Both "On" (Working) and "Off" (Waiting) times are independently adjustable from 1 second up to 99 minutes (but in the same time range);
- Wide Operating Voltage: 100-240V AC;
- Output: 2 Relays(Changeover contact NO+NC), rated at 2A / 250V AC. Resistive load (for ERD-48 - one NC+NO and one NO only);
- Trigger input (ERD-48)
Technical Specification:
- Power supply: 100V...240V AC;
- Frequency: 50/60 Hz;
- Timer settings: 1s ...999 m;
- Power consumption: <5VA;
- Operating temperature: -20C...+55C ;
- Panel cut-out: 91x91mm(96), 68x68mm(72), 45x45mm(48)
Manuals
Online card / PayPal payment - after completing the order, you will be redirected to the payment gateway, payment confirmation will be sent to your email.
Bank deposit- you will transfers money from you bank account into our bank account to complete your purchase. You will receive an invoice to your email no later than the next working day.
We warrant that on delivery, and for a period of 12 months from the date of delivery any products which are goods shall:
- conform in all material respects with their description and any relevant specification;
- be free from material defects in design, material and workmanship;
- be of satisfactory quality
- In the event of any goods being materially defective, we will replace or repair the product or refund the purchase price.
These warranties shall not apply to any defect which arises from improper use, failure to follow the product instructions, or any repair or modification made without our consent.
