
Notified by email when this product becomes available
- Description
- Download
- Payment methods
- Warranty
|
Single-phase submersible borehole pump controller, 140 V-280 V AC, 60 A, Tense Art.No.: MDK-02 Electrodes (liquid level sensors) not included.
This regulator is designed to protect submersible borehole pumps from a variety of potential problems that can occur during operation, such as voltage and current surges, lack of water in the borehole or well, and pump overload. Built-in features also allow you to monitor reservoir fill levels, set time delays for emergency situations and regulate surge currents.
Controller operating principle.
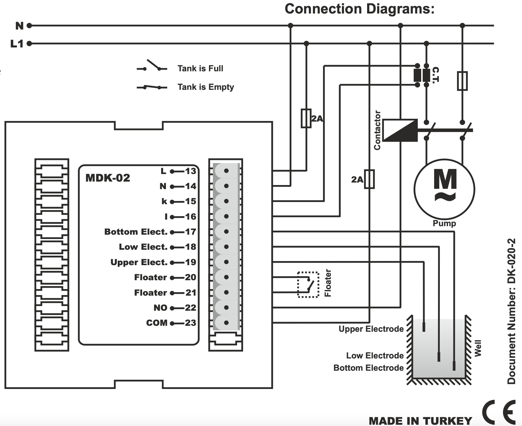
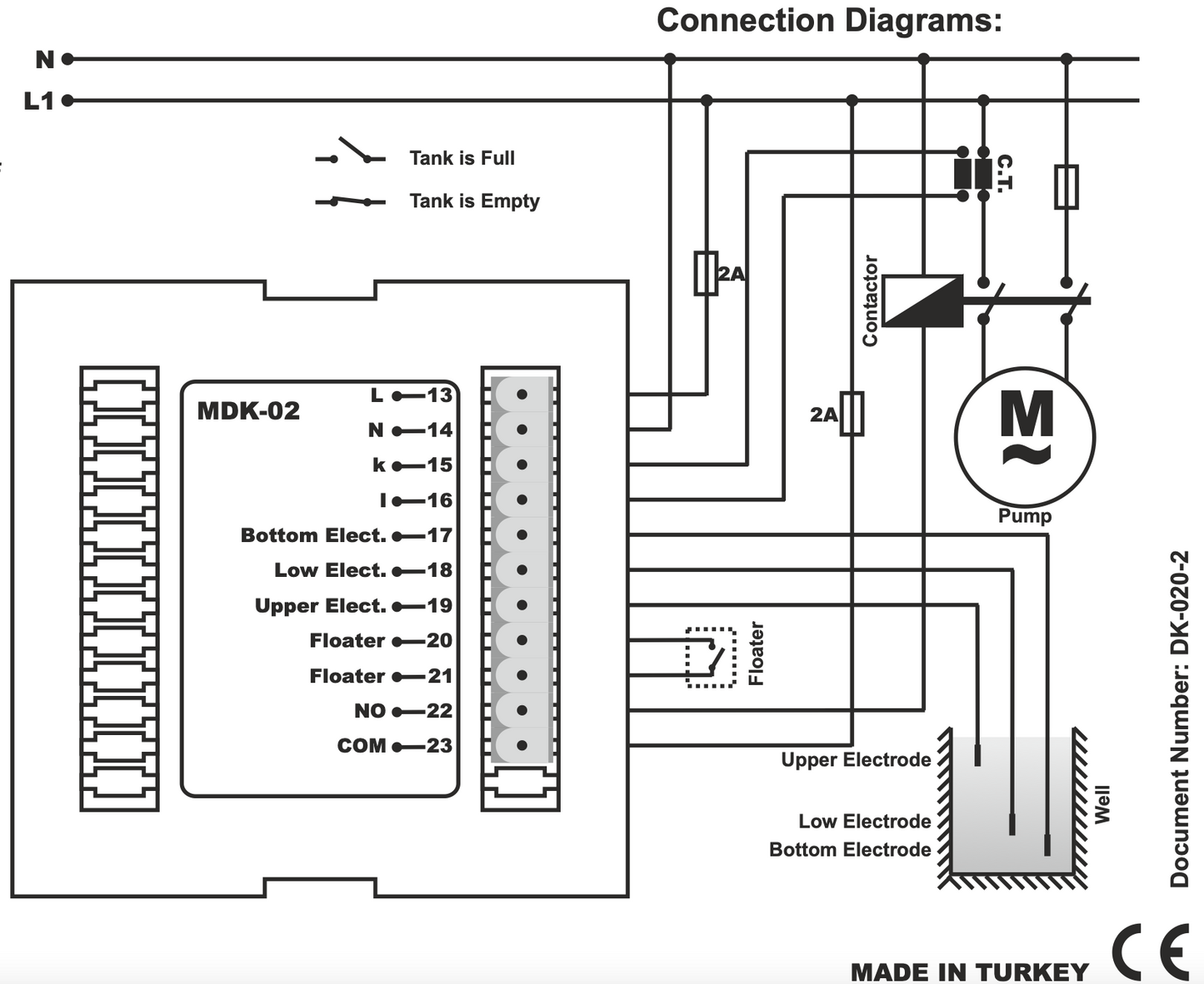
Please read the "Important!" section before connecting the device. Connect the sensors and current transformer to the device according to the wiring diagram (fig. 1) and then connect the power supply. Check that the factory set parameters correspond to the operating parameters of your pump. If necessary, the following parameters can be changed:
(P1) - maximum allowable voltage value
(P2) - maximum permissible current value
(P3) - minimum permissible voltage value
(P4) - minimum permissible current value
(P5) - error response delay
(P6) - automatic reset time after current error
(P7) - current coefficient (multiplier) for the start-up interval
(P8) - start-up interval time
(P9) - number of automatic resets of a current fault after which the device enters emergency mode and requires operator intervention
(P10) - upper sensor response delay time (longer time - pump turns on less times - extends pump life)
After the first connection to the power supply, the device waits 4 seconds, then analyzes the network parameters and their compliance with the set parameters and analyzes whether there is water in the well. It checks if there is enough space in the storage tank in the well and if the controller is in "START" mode (lower green indicator is lit) (lit), the control contacts switch on and the upper green "pump" indicator lights up. The display will show the current voltage and current values.
To enter this mode, press the START button.
To enter this mode, press the STOP button. In this mode, the device does not perform any regulation and does not start the pump. Parameter Settings:
Press the MENU button to enter the parameter setting menu. You will be taken to the first parameter page (P1). The top display shows the parameter number and the bottom display shows the value of that parameter. You can change the parameter values by pressing the UP and DOWN buttons. Then press the MENU button to save the selected value or the RESET button to exit the menu. Note that pressing the RESET button will not save the parameter value shown on the display, but changes to previous parameters will be saved. If no button is pressed for 50 seconds, the unit will exit the menu without saving the parameter value shown on the display. Important!!! Please read this section before connecting the device:
- The submersible pump control unit must be connected according to the wiring diagram in the product datasheet.
- Make sure that the liquid to be pumped by the pump is not flammable or explosive.
- If a system with two level sensors is used, the inputs of the upper and middle sensor must be connected.
- The temperature at the controller installation site shall be above 0 °C.
- Never apply voltage to the inputs of the controller to connect the float switch.
- Make sure the pump body is grounded, otherwise damage to the pump controller may occur.
Technical information:
Operating voltage: 140-280 VAC. Frequency: 50 Hz Current range: 0.5-60 A Power consumption: <4 W Sensitivity to liquids: <50 kOhm Protection class: IP40 Operating temperature range: -5 °C- +55 °C Cable cross-section: max. 1.5 mm2 Weight: 0.325 kg Installation opening: 91 x 91 |
Installation height: less than 2000 m
Online card / PayPal payment - after completing the order, you will be redirected to the payment gateway, payment confirmation will be sent to your email.
Bank deposit- you will transfers money from you bank account into our bank account to complete your purchase. You will receive an invoice to your email no later than the next working day.
We warrant that on delivery, and for a period of 12 months from the date of delivery any products which are goods shall:
- conform in all material respects with their description and any relevant specification;
- be free from material defects in design, material and workmanship;
- be of satisfactory quality
- In the event of any goods being materially defective, we will replace or repair the product or refund the purchase price.
These warranties shall not apply to any defect which arises from improper use, failure to follow the product instructions, or any repair or modification made without our consent.
