
Notified by email when this product becomes available
- Description
- Download
- Payment methods
- Warranty
12 steps + TCR Power factor controller with 2.9" graphic LCD display and RS-485 (TENSE)
The RGT-12SVC reactive power controller (TENSE) is a fully automatic device for optimal switching of compensation stages.
The digital processing of the values measured by the regulator ensures high accuracy in the evaluation of the effective voltage, current and power factor.
The installation of the device is fully automatic - the controller itself determines the size of the individual connected compensation stages. These parameters can also be entered directly manually.
The controller switches the compensation stages on and off so that the reactive power is regulated with a minimum number of switching operations. At the same time, the controller takes into account the even loading of the individual stages and preferentially switches those stages that have been de-energized for the longest period of time and for which the residual charge is minimal. During the regulation process, the compensation stages are continuously monitored in parallel - failures and changes in values are detected, temporarily removed stages are periodically tested and, if necessary, they are put back into the regulation process.
Generator input and generator compensation
Hit, discharge and settling times can be set
Remote communication with RS485 (RS485 ModBus RTU)
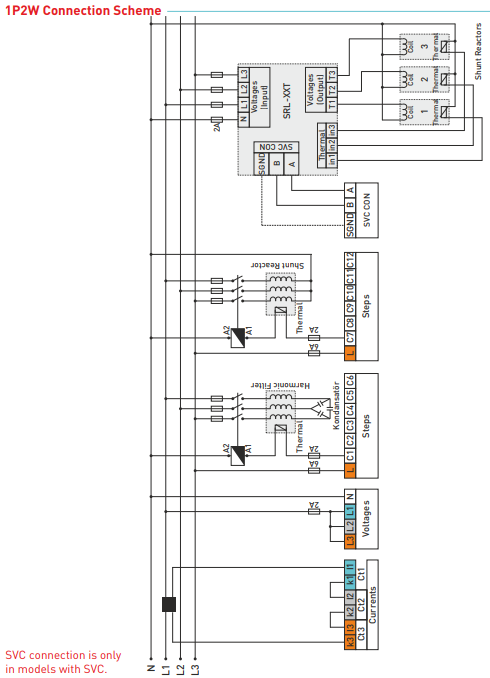
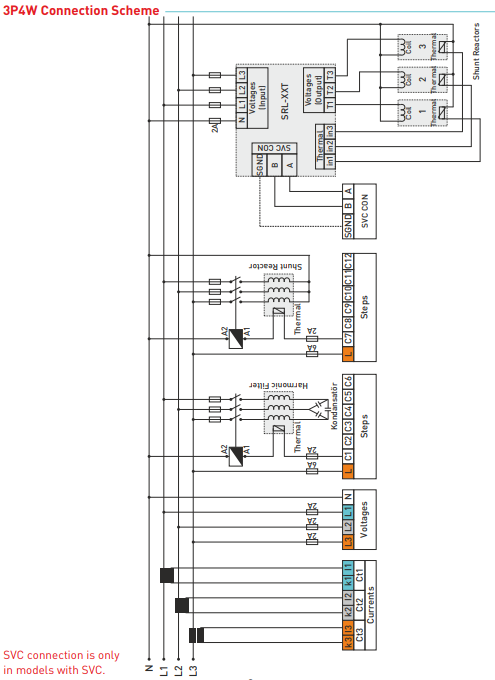
Single-phase, two-phase and three-phase capacitor and shunt reactor can be connected
Harmonic voltage and current can be observed up to 31st harmonics
Total energy (import/export) can be monitored
THD-V and THD-I values of each phase can be observed
Create power analysis (20 samples 9999 min.) - for capacitor selection
Online card / PayPal payment - after completing the order, you will be redirected to the payment gateway, payment confirmation will be sent to your email.
Bank deposit- you will transfers money from you bank account into our bank account to complete your purchase. You will receive an invoice to your email no later than the next working day.
We warrant that on delivery, and for a period of 12 months from the date of delivery any products which are goods shall:
- conform in all material respects with their description and any relevant specification;
- be free from material defects in design, material and workmanship;
- be of satisfactory quality
- In the event of any goods being materially defective, we will replace or repair the product or refund the purchase price.
These warranties shall not apply to any defect which arises from improper use, failure to follow the product instructions, or any repair or modification made without our consent.
