
Notified by email when this product becomes available
- Description
- Download
- Payment methods
- Warranty
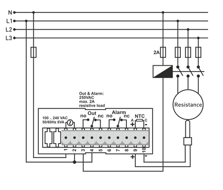
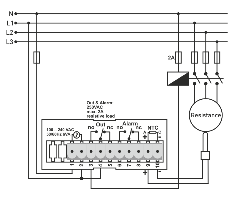
Digital Thermostat / Temperature controller / Temperature meter, ON-OFF, panel mounted, -30ºC ...+150ºC, 2 relay outputs NO+NC, NTC probe, TENSE (Turkey)
Compact panel mounted DT-321 TENSE digital thermostat is low cost single set point temperature controller for heating and cooling applications such as:
- HVAC
- catering
- water heating control
- cooling fans
- refrigerated cabinets
- water/air temperature
- incubators,
- R&D and lab equipment,
- hot plates
- furnaces
- plastic processing machines.
Easy to set up, clear 3 digit red color display, sensitive touch keyboard, easy mount/dismount, wide temperature range and high accuracy make DT-321 economical solution for any environment or occasion.
DT-321 features
- Measuring and Control Scale: -30 °C – +150 °C
- Step/Resolution: 1°C
- Microprocessor Based
- Probe Type: NTC
- ON-OFF Control Form
- OUT and ALARM Outputs
- Selectable Heating and Cooling Function
- Upper and Lower Limit for SET and ALARM Settings
- Adjustable Separate Hysteresis for SET and ALARM Settings
- Selectable Relative, Absolute or Band Alarm
- ON-delay for OUT in Cooling Mode
- Adjustable ON/OFF Timers for OUT Output in Case of Sensor Failure
- Input “Offset" Feature
- Excellent Linearity with °C/mV and °C/W Look-up Tables
- Password Protection
- High Accuracy
- EEPROM Memory to Store Settings
- Easy Connection with Plug-in Connectors
- Dimensions 35x77x84mm, panel cut-out 29x71mm
- Supply voltage: 100...240V AC, 50/60Hz
NTC probe supplied together with this temperature controller has -30 °C – +105°C temperature range. If you need probe with the range -30 °C – +150 °C, please follow this link.
Scope of delivery:
1x DT-321 temperature controller with mounting brackets
1x NTC (probe), length of the wire is approximately 145 cm.*
1x user manual (English)
* - You can add up to 15 meters but need to adjust parameter "oFS" (please see "Programming Parameters" section in the User manual) to compensate additional wire resistance.
Download on
Online card / PayPal payment - after completing the order, you will be redirected to the payment gateway, payment confirmation will be sent to your email.
Bank deposit- you will transfers money from you bank account into our bank account to complete your purchase. You will receive an invoice to your email no later than the next working day.
We warrant that on delivery, and for a period of 12 months from the date of delivery any products which are goods shall:
- conform in all material respects with their description and any relevant specification;
- be free from material defects in design, material and workmanship;
- be of satisfactory quality
- In the event of any goods being materially defective, we will replace or repair the product or refund the purchase price.
These warranties shall not apply to any defect which arises from improper use, failure to follow the product instructions, or any repair or modification made without our consent.
