
Notified by email when this product becomes available
- Description
- Download
- Payment methods
- Warranty
|
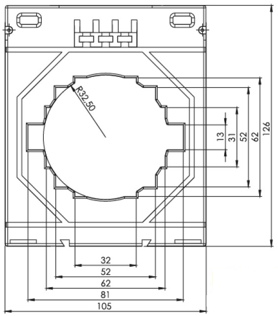
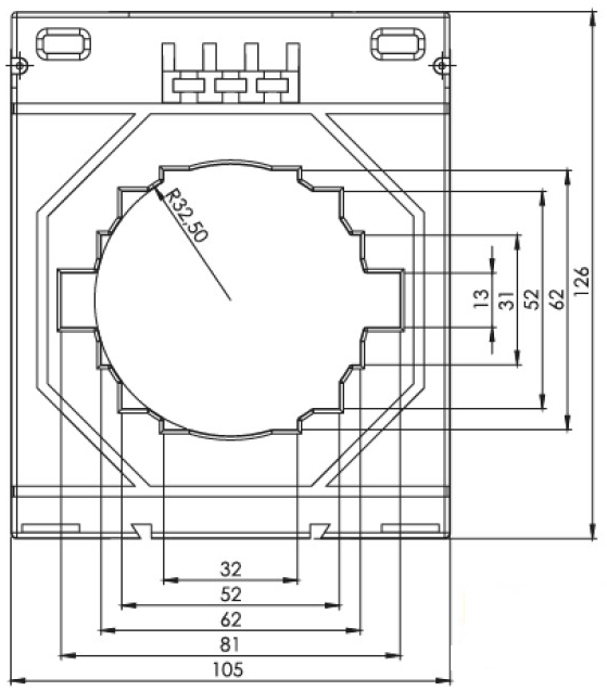
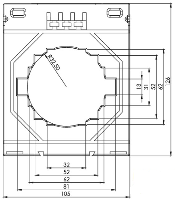
Current transformer 81x13, 1500/5A -0,5S - 20VA - 80mm, Tensioning
Tensioning current transformers enable precise measurement and control of electrical parameters in AC systems. They convert high current values to lower, safe values for measurement equipment, allowing electrical systems to be controlled and managed efficiently. Technical specifications
Coefficient: 1500/5A Load capacity: 20VA Accuracy class 0.5S Terminal block Non-removable cover; for high gauge conductors; Made of brass for added safety Housing Non-flammable, self-extinguishing ABS Mounting KK0001 or KK0002 Primary winding 80 x 10 mm Round conductor Ø 65 mm T-resistance to short-circuit current Ith = 60*In T-resistance to constant current exposure Id = 1 * In Ambient temperature (operating hours) -25°C~+85°C Rated frequency 50 Hz ... 60 Hz Switching current limit FS 5 Test voltage 3 kV for 1 minute Max. system voltage 0.72 kV Standards: IEC 60044-1, IEC 61869-2, VDE 0414-1, DIN57414, BS3938, BS7626, EN 61869
Advantages of voltage current transformers: High accuracy: provide reliable measurements for precise control of electrical parameters. Wide range of rated currents: allows to select the optimum model for specific needs. Different sizes: different window sizes provide installation flexibility and compatibility with different conductors. Reliability and durability: made of high quality materials that guarantee a long service life. |
The choice of voltage current transformers guarantees stable operation of electrical systems and measurement accuracy, a key factor for efficient energy management.
Download on
Technical information on current transformers (996 kB) - to be sent on request
Online card / PayPal payment - after completing the order, you will be redirected to the payment gateway, payment confirmation will be sent to your email.
Bank deposit- you will transfers money from you bank account into our bank account to complete your purchase. You will receive an invoice to your email no later than the next working day.
We warrant that on delivery, and for a period of 12 months from the date of delivery any products which are goods shall:
- conform in all material respects with their description and any relevant specification;
- be free from material defects in design, material and workmanship;
- be of satisfactory quality
- In the event of any goods being materially defective, we will replace or repair the product or refund the purchase price.
These warranties shall not apply to any defect which arises from improper use, failure to follow the product instructions, or any repair or modification made without our consent.
